FORCE 75/90
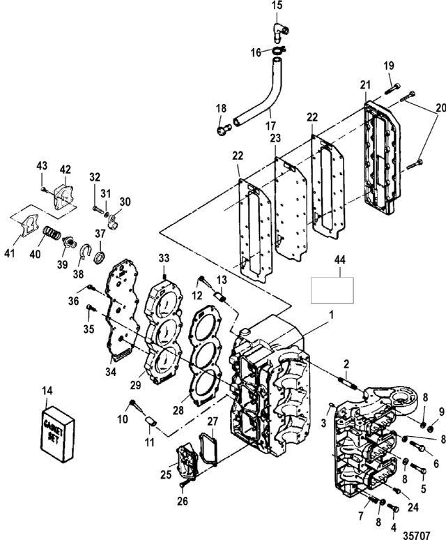
Блок цилиндров
Блок цилиндров
| № | Артикул | Наименование | Деталей в узле | Комментарий | Цена | |
| 1 | POWERHEAD ASSEMBLY (Painted) | 1 | снято с производства | |||
| 1 | CYLINDER BLOCK KIT | 1 | снято с производства | |||
| 2 | STUD, (.375-16 x 3.843) | 1 | снято с производства | |||
| 3 | посадочный штифт без отверстия (0.375 x 0.625) | 2 | 270 руб. | |||
| 4 | винт (0.375-16 x 1.750) | 2 | 270 руб. | |||
| 5 | винт (0.375-16 x 3.00) | 4 | снято с производства | |||
| 6 | винт (0.375-16 x 2.750) | 1 | 280 руб. | |||
| 7 | винт (0.250-20 x 1.250) | 2 | 1130 руб. | |||
| 8 | шайба | 8 | 310 руб. | |||
| 9 | гайка (0.375-16) | 1 | цена по запросу | |||
| 10 | PIN, Water Jacket Tube | 2 | цена по запросу | |||
| 11 | TUBE, Water Jacket | 2 | 320 руб. | |||
| 12 | PIN, Water Jacket Tube (Top) | 1 | цена по запросу | |||
| 13 | TUBE, Water Jacket (Top) | 1 | 340 руб. | |||
| 14 | набор прокладок силового агрегата | 1 | 21310 руб. | |||
| 15 | колено | 1 | 260 руб. | |||
| 16 | ленточный хомут (8") | 1 | 30 руб. | |||
| 17 | шланг (длина 57") | 1 | (CUT 16.00 INCHES) | 7650 руб. | ||
| 18 | FITTING, Tell Tale | 1 | 430 руб. | |||
| 19 | винт (0.250-20 x 1.250) | 21 | 210 руб. | |||
| 20 | SCREW, (.250-20 x 1.500) | 2 | снято с производства | |||
| 21 | COVER, Exhaust Port | 1 | снято с производства | |||
| 22 | GASKET, Exhaust Port Plate | 2 | 2340 руб. | |||
| 23 | PLATE, Exhaust Port | 1 | 7400 руб. | |||
| 24 | винт (0.250-20 x 0.750) | 12 | снято с производства | |||
| 25 | COVER, Transfer Port | 2 | снято с производства | |||
| 26 | винт (0.250-20 x 0.625) | 8 | 260 руб. | |||
| 27 | GASKET, Transfer Port Cover | 2 | 650 руб. | |||
| 28 | прокладка головки блока | 1 | 7790 руб. | |||
| 29 | CYLINDER HEAD KIT, Cylinder | 1 | цена по запросу | |||
| 30 | RETAINER, Thermoswitch | 1 | 680 руб. | |||
| 31 | шайба (0.203 x 0.500 x 0.032) | 1 | цена по запросу | |||
| 32 | Винт (#10-16 x 0.600) | 1 | 270 руб. | |||
| 33 | PLUG, Pipe (.125-27) Brass, Cylinder Head | 1 | 710 руб. | |||
| 34 | крышка головки блока | 1 | снято с производства | |||
| 35 | SCREW, (.312-18 x 2.380) | 14 | 340 руб. | |||
| 36 | винт (0.250-20 x 0.625) | 3 | 260 руб. | |||
| 37 | уплотнение термостата | 1 | 2540 руб. | |||
| 38 | проставка | 1 | 790 руб. | |||
| 39 | термостат, 54В°C (130В°F) | 1 | (130 DEGREES) | 4330 руб. | ||
| 39 | термостат | OPT | (118 DEGREES) | снято с производства | ||
| 40 | Пружина | 1 | 570 руб. | |||
| 41 | прокладка крышки термостата | 1 | 240 руб. | |||
| 42 | Крышка термостата | 1 | снято с производства | |||
| 43 | винт (0.250-20 x 0.750) | 4 | 260 руб. | |||
| 44 | DECAL, EPA Label Information (Applied Top Of Block Near Exhaust Cover) | 1 | снято с производства | |||
| - | набор прокладок силового агрегата | 1 | 21310 руб. | |||
| - | силовая головка в сборе | 1 | снято с производства | |||
| 1 | Art.: 800-818153A64 POWERHEAD ASSEMBLY (Painted) Деталей в узле: 1 снято с производства 1 | Art.: 800-818153A55 CYLINDER BLOCK KIT Деталей в узле: 1 снято с производства 2 | STUD, (.375-16 x 3.843) Деталей в узле: 1 снято с производства 3 | Art.: 17-43044 посадочный штифт без отверстия (0.375 x 0.625) Деталей в узле: 2 4 | Art.: 10-32132 винт (0.375-16 x 1.750) Деталей в узле: 2 5 | Art.: 10-53734 винт (0.375-16 x 3.00) Деталей в узле: 4 снято с производства 6 | Art.: 10-47688 винт (0.375-16 x 2.750) Деталей в узле: 1 7 | Art.: 10-820589 винт (0.250-20 x 1.250) Деталей в узле: 2 8 | Art.: 12-828271 шайба Деталей в узле: 8 9 | Art.: 11-86226 гайка (0.375-16) Деталей в узле: 1 цена по запросу
10 | Art.: 17-F719372 PIN, Water Jacket Tube Деталей в узле: 2 цена по запросу
11 | Art.: 32-F719418 TUBE, Water Jacket Деталей в узле: 2 12 | Art.: 17-F691372 PIN, Water Jacket Tube (Top) Деталей в узле: 1 цена по запросу
13 | Art.: 32-F719943 TUBE, Water Jacket (Top) Деталей в узле: 1 14 | Art.: 27-809122A2 набор прокладок силового агрегата Деталей в узле: 1 15 | Art.: колено Деталей в узле: 1 16 | Art.: ленточный хомут (8") Деталей в узле: 1 17 | шланг (длина 57") ((CUT 16.00 INCHES))Деталей в узле: 1 18 | Art.: 22-813613 FITTING, Tell Tale Деталей в узле: 1 19 | Art.: 10-819110125 винт (0.250-20 x 1.250) Деталей в узле: 21 20 | Art.: 10-819110150 SCREW, (.250-20 x 1.500) Деталей в узле: 2 снято с производства 21 | Art.: COVER, Exhaust Port Деталей в узле: 1 снято с производства 22 | Art.: 27-8190231 GASKET, Exhaust Port Plate Деталей в узле: 2 23 | Art.: 1000-8192831 PLATE, Exhaust Port Деталей в узле: 1 24 | Art.: 10-819110075 винт (0.250-20 x 0.750) Деталей в узле: 12 снято с производства 25 | Art.: 8197373 COVER, Transfer Port Деталей в узле: 2 снято с производства 26 | Art.: 10-819110062 винт (0.250-20 x 0.625) Деталей в узле: 8 27 | Art.: 27-8205002 GASKET, Transfer Port Cover Деталей в узле: 2 28 | Art.: 27-820438 прокладка головки блока Деталей в узле: 1 29 | Art.: 900-819857A3 CYLINDER HEAD KIT, Cylinder Деталей в узле: 1 цена по запросу
30 | Art.: RETAINER, Thermoswitch Деталей в узле: 1 31 | Art.: 12-56681 шайба (0.203 x 0.500 x 0.032) Деталей в узле: 1 цена по запросу
32 | Art.: Винт (#10-16 x 0.600) Деталей в узле: 1 33 | Art.: 22-328022 PLUG, Pipe (.125-27) Brass, Cylinder Head Деталей в узле: 1 34 | Art.: 1000-F692995 крышка головки блока Деталей в узле: 1 снято с производства 35 | Art.: 10-79654 SCREW, (.312-18 x 2.380) Деталей в узле: 14 36 | Art.: 10-819110062 винт (0.250-20 x 0.625) Деталей в узле: 3 37 | Art.: 26-F664914 уплотнение термостата Деталей в узле: 1 38 | Art.: 23-8283111 проставка Деталей в узле: 1 39 | Art.: термостат, 54В°C (130В°F) ((130 DEGREES))Деталей в узле: 1 39 | Art.: 859620 термостат ((118 DEGREES))Деталей в узле: OPT снято с производства 40 | Art.: 24-F664268 Пружина Деталей в узле: 1 41 | Art.: 27-828319 прокладка крышки термостата Деталей в узле: 1 42 | Art.: 8196931 Крышка термостата Деталей в узле: 1 снято с производства 43 | Art.: 10-19932075 винт (0.250-20 x 0.750) Деталей в узле: 4 44 | Art.: DECAL, EPA Label Information (Applied Top Of Block Near Exhaust Cover) Деталей в узле: 1 снято с производства - | Art.: 27-809122A2 набор прокладок силового агрегата Деталей в узле: 1 - | Art.: 800-818153A64 силовая головка в сборе Деталей в узле: 1 снято с производства | |||||||||||||||||||||||||||||||||||||||||||||||||
