MERC 350
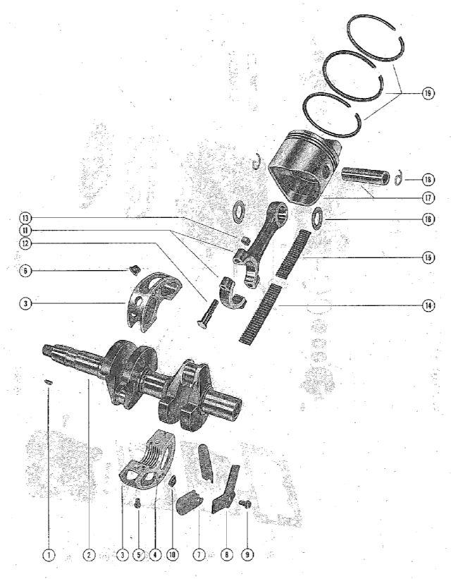
коленчатый вал, поршень и шатун в сборе
коленчатый вал, поршень и шатун в сборе
| № | Артикул | Наименование | Деталей в узле | Комментарий | Цена | |
| 1 | KEY, FLYWHEEL | 1,,, | цена по запросу | |||
| 1 | KEY, FLYWHEEL | ,1,1,1 | снято с производства | |||
| 2 | Коленчатый вал | 1,1,1,1 | снято с производства | |||
| 3 | MAIN BEARING ASSEMBLY, VALVE TYPE | ,1,, | снято с производства | |||
| 3 | MAIN BEARING ASSEMBLY, VALVE TYPE | ,,1,1 | снято с производства | |||
| 3 | MAIN BEARING ASSEMBLY, VALVE TYPE | 1,,, | снято с производства | |||
| 4 | посадочный штифт коренного вкладыша | 10,,, | цена по запросу | |||
| 4 | посадочный штифт коренного вкладыша | ,,10,10 | цена по запросу | |||
| 4 | посадочный штифт коренного вкладыша | ,10,, | цена по запросу | |||
| 5 | винт зажима коренного вкладыша | ,,2,2 | снято с производства | |||
| 5 | винт зажима коренного вкладыша | 2,,, | снято с производства | |||
| 5 | винт зажима коренного вкладыша | 2,,, | снято с производства | |||
| 6 | гайка винта зажима коренного вкладыша | ,2,, | снято с производства | |||
| 6 | гайка винта зажима коренного вкладыша | 2,,, | снято с производства | |||
| 6 | гайка винта зажима коренного вкладыша | ,,2,2 | снято с производства | |||
| 7 | REED SET, MAIN BEARING (MATCHED) | 1,1,, | снято с производства | |||
| 7 | REED SET, MAIN BEARING (MATCHED) | ,,1,1 | снято с производства | |||
| 8 | REED STOP, MAIN BEARING REED VALVES | 4,4,4,4 | цена по запросу | |||
| 9 | SCREW, REED STOP MOUNTING | 4,4,4,4 | цена по запросу | |||
| 10 | NUT, REED STOP MOUNTING SCREW | 4,4,4,4 | снято с производства | |||
| 11 | шатун в сборе | 2,,, | снято с производства | |||
| 11 | шатун в сборе | ,,2,2 | снято с производства | |||
| 11 | шатун в сборе | ,2,, | снято с производства | |||
| 12 | Винт шатуна | 4,,, | цена по запросу | |||
| 12 | Винт шатуна | ,,4,4 | цена по запросу | |||
| 12 | Винт шатуна | ,4,, | цена по запросу | |||
| 13 | Гайка винта шатуна | ,,4,4 | снято с производства | |||
| 13 | Гайка винта шатуна | 4,,, | снято с производства | |||
| 13 | Гайка винта шатуна | ,4,, | снято с производства | |||
| 14 | BEARING, NEEDLE-CRANKPIN | 64,,, | цена по запросу | |||
| 14 | BEARING, NEEDLE-CRANKPIN | ,64,, | цена по запросу | |||
| 14 | BEARING, NEEDLE-CRANKPIN | ,,64,64 | 40 руб. | |||
| 15 | Игольчатый подшипник поршневого пальца | ,,58,58 | снято с производства | |||
| 15 | Игольчатый подшипник поршневого пальца | 58,,, | снято с производства | |||
| 15 | Игольчатый подшипник поршневого пальца | ,58,, | снято с производства | |||
| 16 | шайба фиксатора игольчатого подшипника | ,,4,4 | снято с производства | |||
| 16 | шайба фиксатора игольчатого подшипника | 4,,, | снято с производства | |||
| 16 | шайба фиксатора игольчатого подшипника | ,4,, | снято с производства | |||
| 17 | Поршень и поршневой палец в сборе | 2,,, | снято с производства | |||
| 17 | Поршень и поршневой палец в сборе | ,2,2,2 | снято с производства | |||
| 18 | Стопорное кольцо поршневого пальца | ,4,4,4 | снято с производства | |||
| 18 | Стопорное кольцо поршневого пальца | 4,,, | снято с производства | |||
| 19 | Поршневое кольцо | 1,,, | снято с производства | |||
| 19 | Поршневое кольцо | ,1,1,1 | снято с производства | |||
| - | поршень и поршневой палец в сборе (увеличение 0.015) | 2,,, | снято с производства | |||
| - | поршень и поршневой палец в сборе (увеличение 0.015) | ,2,2,2 | снято с производства | |||
| - | поршневое кольцо (увеличение 0.015) | 1,1,1,1 | снято с производства | |||
| 1 | Art.: KEY, FLYWHEEL Деталей в узле: 1,,, цена по запросу 1 | Art.: 28-45554 KEY, FLYWHEEL Деталей в узле: ,1,1,1 снято с производства 2 | Art.: 422-2186 Коленчатый вал Деталей в узле: 1,1,1,1 снято с производства 3 | Art.: MAIN BEARING ASSEMBLY, VALVE TYPE Деталей в узле: ,1,, снято с производства 3 | Art.: MAIN BEARING ASSEMBLY, VALVE TYPE Деталей в узле: ,,1,1 снято с производства 3 | MAIN BEARING ASSEMBLY, VALVE TYPE Деталей в узле: 1,,, снято с производства 4 | Art.: 17-20032 посадочный штифт коренного вкладыша Деталей в узле: 10,,, цена по запросу
4 | Art.: 17-20032 посадочный штифт коренного вкладыша Деталей в узле: ,,10,10 цена по запросу
4 | Art.: 17-20032 посадочный штифт коренного вкладыша Деталей в узле: ,10,, цена по запросу
5 | Art.: 10-45775 винт зажима коренного вкладыша Деталей в узле: ,,2,2 снято с производства 5 | Art.: 10-45775 винт зажима коренного вкладыша Деталей в узле: 2,,, снято с производства 5 | Art.: 10-25313 винт зажима коренного вкладыша Деталей в узле: 2,,, снято с производства 6 | Art.: 11-45774 гайка винта зажима коренного вкладыша Деталей в узле: ,2,, снято с производства 6 | Art.: 11-29469 гайка винта зажима коренного вкладыша Деталей в узле: 2,,, снято с производства 6 | Art.: 11-45774 гайка винта зажима коренного вкладыша Деталей в узле: ,,2,2 снято с производства 7 | Art.: 34-32203A1 REED SET, MAIN BEARING (MATCHED) Деталей в узле: 1,1,, снято с производства 7 | Art.: 34-45506A1 REED SET, MAIN BEARING (MATCHED) Деталей в узле: ,,1,1 снято с производства 8 | Art.: REED STOP, MAIN BEARING REED VALVES Деталей в узле: 4,4,4,4 цена по запросу 9 | Art.: SCREW, REED STOP MOUNTING Деталей в узле: 4,4,4,4 цена по запросу 10 | Art.: 11-29469 NUT, REED STOP MOUNTING SCREW Деталей в узле: 4,4,4,4 снято с производства 11 | Art.: 611-1885A4 шатун в сборе Деталей в узле: 2,,, снято с производства 11 | Art.: 617-2768A3 шатун в сборе Деталей в узле: ,,2,2 снято с производства 11 | Art.: шатун в сборе Деталей в узле: ,2,, снято с производства 12 | Art.: Винт шатуна Деталей в узле: 4,,, цена по запросу 12 | Art.: Винт шатуна Деталей в узле: ,,4,4 цена по запросу 12 | Art.: Винт шатуна Деталей в узле: ,4,, цена по запросу 13 | Art.: 11-20061 Гайка винта шатуна Деталей в узле: ,,4,4 снято с производства 13 | Art.: 11-20061 Гайка винта шатуна Деталей в узле: 4,,, снято с производства 13 | Art.: 11-20061 Гайка винта шатуна Деталей в узле: ,4,, снято с производства 14 | Art.: BEARING, NEEDLE-CRANKPIN Деталей в узле: 64,,, цена по запросу 14 | Art.: BEARING, NEEDLE-CRANKPIN Деталей в узле: ,64,, цена по запросу 14 | Art.: 29-47897 BEARING, NEEDLE-CRANKPIN Деталей в узле: ,,64,64 15 | Art.: 29-39656 Игольчатый подшипник поршневого пальца Деталей в узле: ,,58,58 снято с производства 15 | Art.: 29-39656 Игольчатый подшипник поршневого пальца Деталей в узле: 58,,, снято с производства 15 | Art.: 29-39656 Игольчатый подшипник поршневого пальца Деталей в узле: ,58,, снято с производства 16 | Art.: 12-45741 шайба фиксатора игольчатого подшипника Деталей в узле: ,,4,4 снято с производства 16 | Art.: 12-29681 шайба фиксатора игольчатого подшипника Деталей в узле: 4,,, снято с производства 16 | Art.: 12-45741 шайба фиксатора игольчатого подшипника Деталей в узле: ,4,, снято с производства 17 | Art.: 741-2696A2 Поршень и поршневой палец в сборе Деталей в узле: 2,,, снято с производства 17 | Art.: 741-2779A2 Поршень и поршневой палец в сборе Деталей в узле: ,2,2,2 снято с производства 18 | Art.: 40-45740 Стопорное кольцо поршневого пальца Деталей в узле: ,4,4,4 снято с производства 18 | Art.: 40-32118 Стопорное кольцо поршневого пальца Деталей в узле: 4,,, снято с производства 19 | Art.: 39-39100A12 Поршневое кольцо Деталей в узле: 1,,, снято с производства 19 | Art.: 39-39100A12 Поршневое кольцо Деталей в узле: ,1,1,1 снято с производства - | Art.: 741-2738A2 поршень и поршневой палец в сборе (увеличение 0.015) Деталей в узле: 2,,, снято с производства - | Art.: 741-2951A3 поршень и поршневой палец в сборе (увеличение 0.015) Деталей в узле: ,2,2,2 снято с производства - | Art.: 39-45192A12 поршневое кольцо (увеличение 0.015) Деталей в узле: 1,1,1,1 снято с производства | ||||||||||||||||||||||||||||||||||||||||||||||||
