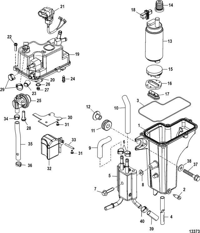
40/50/60 EFI (4 CYLINDER) 4-STROKE
паросепаратор
паросепаратор
| № | Артикул | Наименование | Деталей в узле | Комментарий | Цена | |
| 1 | Корпус в сборе | 1 | 45790 руб. | |||
| 2 | сливной винт | 1 | 2020 руб. | |||
| 3 | уплотнительное кольцо | 1 | 1710 руб. | |||
| 4 | HOSE, (40.00 Inches Bulk) (Cut to 9 Inches) | 1 | 7910 руб. | |||
| 5 | охладитель топлива в сборе | 1 | 108610 руб. | |||
| 6 | зажим | 2 | 570 руб. | |||
| 7 | Винт (M6 x 25) | 1 | 360 руб. | |||
| 8 | шайба | 1 | 440 руб. | |||
| 9 | Шланг | 1 | 11710 руб. | |||
| 10 | Шланг | 1 | 12170 руб. | |||
| 11 | резиновая втулка | 3 | 300 руб. | |||
| 12 | вкладыш | 3 | 570 руб. | |||
| 13 | PUMP KIT, Fuel (Also includes cover to body o-ring 25-892267530) | 1 | 74440 руб. | |||
| 14 | изолятор | 1 | 5430 руб. | |||
| 15 | Изолятор | 1 | 4550 руб. | |||
| 16 | Изолятор | 1 | 2950 руб. | |||
| 17 | сетка топливного фильтра | 1 | 3460 руб. | |||
| 18 | крышка | 1 | 1690 руб. | |||
| 19 | крышка в сборе | 1 | 76330 руб. | |||
| 20 | Клапан Шрейдера | 1 | снято с производства | |||
| 21 | электрический соединитель | 1 | 13240 руб. | |||
| 22 | Винт (М4 х 16) | 5 | 690 руб. | |||
| 23 | Крышка | 1 | 320 руб. | |||
| 24 | комплект поплавкового клапана | 1 | 2960 руб. | |||
| 25 | Комплект регулятора давления | 1 | 31860 руб. | |||
| 26 | уплотнительное кольцо | 1 | 880 руб. | |||
| 27 | Экран | 1 | 950 руб. | |||
| 28 | Винт (M5 x 18) | 1 | 770 руб. | |||
| 29 | зажим | 2 | 570 руб. | |||
| 30 | Пластина | 1 | 1040 руб. | |||
| 31 | винт (M4 x 8) | 5 | 450 руб. | |||
| 32 | поплавок | 1 | 4640 руб. | |||
| 33 | стержень поплавка | 1 | 370 руб. | |||
| 34 | зажим | 1 | 1280 руб. | |||
| 35 | Шланг | 1 | 2150 руб. | |||
| 36 | ленточный хомут (4") | 1 | 30 руб. | |||
| 37 | Винт (M6 x 25) | 3 | 360 руб. | |||
| 38 | шайба | 3 | цена по запросу | |||
| 39 | втулка (1 1/2") | 1 | цена по запросу | |||
| 40 | зажим | 1 | 570 руб. | |||
| - | паросепаратор в сборе | 1 | 164770 руб. | |||
| 1 | Art.: 892267A54 Корпус в сборе Деталей в узле: 1 2 | Art.: 10-892267506 сливной винт Деталей в узле: 1 3 | Art.: 25-892267530 уплотнительное кольцо Деталей в узле: 1 4 | Art.: HOSE, (40.00 Inches Bulk) (Cut to 9 Inches) Деталей в узле: 1 5 | Art.: 892267A55 охладитель топлива в сборе Деталей в узле: 1 6 | Art.: 54-888988023 зажим Деталей в узле: 2 7 | Art.: 10-82130025 Винт (M6 x 25) Деталей в узле: 1 8 | Art.: 12-892267511 шайба Деталей в узле: 1 9 | Art.: 32-892267504 Шланг Деталей в узле: 1 10 | Art.: 32-892267503 Шланг Деталей в узле: 1 11 | Art.: 25-834985 резиновая втулка Деталей в узле: 3 12 | Art.: 23-856954 вкладыш Деталей в узле: 3 13 | Art.: 892267A51 PUMP KIT, Fuel (Also includes cover to body o-ring 25-892267530) Деталей в узле: 1 14 | Art.: 892267521 изолятор Деталей в узле: 1 15 | Art.: 892267510 Изолятор Деталей в узле: 1 16 | Art.: 892267523 Изолятор Деталей в узле: 1 17 | Art.: 892267534 сетка топливного фильтра Деталей в узле: 1 18 | Art.: 892267519 крышка Деталей в узле: 1 19 | Art.: 892267T57 крышка в сборе Деталей в узле: 1 20 | Art.: 892267537 Клапан Шрейдера Деталей в узле: 1 снято с производства 21 | Art.: 892267535 электрический соединитель Деталей в узле: 1 22 | Art.: 10-892267531 Винт (М4 х 16) Деталей в узле: 5 23 | Art.: 883220 Крышка Деталей в узле: 1 24 | Art.: 892267A52 комплект поплавкового клапана Деталей в узле: 1 25 | Art.: 892267A50 Комплект регулятора давления Деталей в узле: 1 26 | Art.: 25-892267513 уплотнительное кольцо Деталей в узле: 1 27 | Art.: 892267512 Экран Деталей в узле: 1 28 | Art.: 10-892267515 Винт (M5 x 18) Деталей в узле: 1 29 | Art.: 54-888988023 зажим Деталей в узле: 2 30 | Art.: 892267520 Пластина Деталей в узле: 1 31 | Art.: 10-892267529 винт (M4 x 8) Деталей в узле: 5 32 | Art.: 892267527 поплавок Деталей в узле: 1 33 | Art.: 17-892267528 стержень поплавка Деталей в узле: 1 34 | Art.: 54-892267517 зажим Деталей в узле: 1 35 | Art.: 32-892267516 Шланг Деталей в узле: 1 36 | Art.: 56762 ленточный хомут (4") Деталей в узле: 1 37 | Art.: 10-82130025 Винт (M6 x 25) Деталей в узле: 3 38 | Art.: 12-4002316 шайба Деталей в узле: 3 цена по запросу
39 | Art.: 32-897777002 втулка (1 1/2") Деталей в узле: 1 цена по запросу
40 | Art.: 54-888988023 зажим Деталей в узле: 1 - | Art.: паросепаратор в сборе Деталей в узле: 1 | ||||||||||||||||||||||||||||||||||||||||||
