135/150/175 DFI - 2.5L
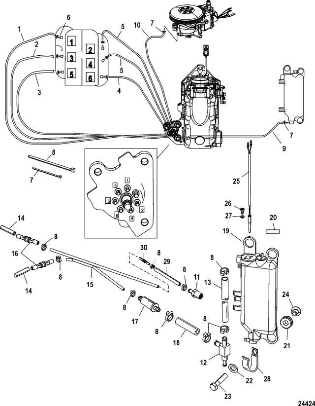
Компоненты впрыска масла
Компоненты впрыска масла
| № | Артикул | Наименование | Деталей в узле | Комментарий | Цена | |
| 1 | TUBING, (38.00 Inches Bulk), Cut to 24 Inches | 1 | 5190 руб. | |||
| 2 | TUBING, (38.00 Inches Bulk), Cut to 18-1/2 Inches | 1 | 5190 руб. | |||
| 3 | TUBING, (38.00 Inches Bulk), Cut to 16-1/2 Inches | 1 | 5190 руб. | |||
| 4 | TUBING, (38.00 Inches Bulk), Cut to 24-1/2 Inches | 1 | 5190 руб. | |||
| 5 | TUBING, (38.00 Inches Bulk), Cut to 27 Inches | 2 | 5190 руб. | |||
| 6 | обратный клапан | 6 | 3560 руб. | |||
| 7 | ленточный хомут (5 1/2") | AR | цена по запросу | |||
| 8 | ленточный хомут (4") | AR | 30 руб. | |||
| 8 | ленточный хомут (8") | AR | 30 руб. | |||
| 9 | HOSE, (24.00 Inches Braided) | 1 | 3720 руб. | |||
| 10 | HOSE, (40.00 Inches Bulk), Cut to 32 Inches | 1 | 7910 руб. | |||
| 11 | CHECK VALVE, To Block | 1 | 5380 руб. | |||
| 12 | фиттинг | 1 | цена по запросу | |||
| 13 | HOSE, (57.00 Inches Bulk), Cut to 6 Inches | 1 | 7650 руб. | |||
| 14 | NSS | Не продается по отдельности, крышка | 2 | |||
| 15 | Шланг | 1 | 11040 руб. | |||
| 16 | соединитель | 2 | 330 руб. | |||
| 17 | проточный масляный фильтр | 1 | 640 руб. | |||
| 18 | шланг (2") | 1 | 770 руб. | |||
| 19 | резервуар в сборе | 1 | 29360 руб. | |||
| 20 | NSS | не продается по отдельности, наклейка - резервуар | 1 | |||
| 21 | резиновая втулка | 3 | 350 руб. | |||
| 22 | шайба | 3 | 100 руб. | |||
| 23 | винт (0.312-18 x 1.250) | 3 | 180 руб. | |||
| 24 | вкладыш | 3 | 790 руб. | |||
| 25 | переключатель в сборе | 1 | 3810 руб. | |||
| 26 | винт (.164-18 x .375) | 1 | 110 руб. | |||
| 27 | шайба (0.203 x 0.562 x 0.060) нержавеющая сталь | 1 | 150 руб. | |||
| 28 | зажим | 1 | 1030 руб. | |||
| 29 | HOSE, (57.00 Inches Bulk), Cut to 4-3/4 Inches | 1 | 7650 руб. | |||
| 30 | соединитель | 1 | 330 руб. | |||
| - | силовая головка в сборе | 1 | 135/150/Jet 110 | 1658360 руб. | ||
| - | силовая головка в сборе | 1 | 175 | 1662340 руб. | ||
| 1 | Art.: TUBING, (38.00 Inches Bulk), Cut to 24 Inches Деталей в узле: 1 2 | Art.: TUBING, (38.00 Inches Bulk), Cut to 18-1/2 Inches Деталей в узле: 1 3 | Art.: TUBING, (38.00 Inches Bulk), Cut to 16-1/2 Inches Деталей в узле: 1 4 | Art.: TUBING, (38.00 Inches Bulk), Cut to 24-1/2 Inches Деталей в узле: 1 5 | Art.: TUBING, (38.00 Inches Bulk), Cut to 27 Inches Деталей в узле: 2 6 | Art.: 21-858805 обратный клапан Деталей в узле: 6 7 | Art.: 69355 ленточный хомут (5 1/2") Деталей в узле: AR цена по запросу
8 | Art.: 56762 ленточный хомут (4") Деталей в узле: AR 8 | Art.: 54-816311T ленточный хомут (8") Деталей в узле: AR 9 | Art.: 32-892830053 HOSE, (24.00 Inches Braided) Деталей в узле: 1 10 | Art.: HOSE, (40.00 Inches Bulk), Cut to 32 Inches Деталей в узле: 1 11 | Art.: 21-8781051 CHECK VALVE, To Block Деталей в узле: 1 12 | Art.: 22-424254 фиттинг Деталей в узле: 1 цена по запросу
13 | HOSE, (57.00 Inches Bulk), Cut to 6 Inches Деталей в узле: 1 14 | Art.: -NSS Не продается по отдельности, крышка Деталей в узле: 2 15 | Art.: 32-875289 Шланг Деталей в узле: 1 16 | Art.: 22-858955 соединитель Деталей в узле: 2 17 | Art.: проточный масляный фильтр Деталей в узле: 1 18 | Art.: 32-875283 шланг (2") Деталей в узле: 1 19 | Art.: резервуар в сборе Деталей в узле: 1 20 | Art.: -NSS не продается по отдельности, наклейка - резервуар Деталей в узле: 1 21 | Art.: 25-855362001 резиновая втулка Деталей в узле: 3 22 | Art.: 12-49436 шайба Деталей в узле: 3 23 | Art.: 10-60411 винт (0.312-18 x 1.250) Деталей в узле: 3 24 | Art.: 23-855364 вкладыш Деталей в узле: 3 25 | Art.: переключатель в сборе Деталей в узле: 1 |
