7.5 /9.8 H.P.
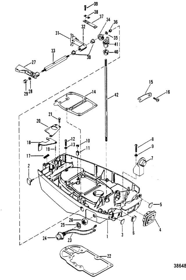
нижняя часть колпака и привод механизма переключения передач
нижняя часть колпака и привод механизма переключения передач
| № | Артикул | Наименование | Деталей в узле | Комментарий | Цена | |
| 1 | COWL ASSEMBLY, BOTTOM | 1 | снято с производства | |||
| 2 | пробка нижней части колпака | 3 | 580 руб. | |||
| 3 | пробка нижней части колпака | 1 | снято с производства | |||
| 4 | резиновая втулка вала воздушной заслонки (нижняя часть колпака) | 1 | снято с производства | |||
| 5 | COVER, ACCESS HOLE | 1 | снято с производства | |||
| 6 | COVER, ACCESS HOLE | 1 | снято с производства | |||
| 7 | ANCHOR, LATCH - BOTTOM COWL | 1 | снято с производства | |||
| 8 | SCREW, (.250-28 x 1.12), LATCH ANCHOR | 2 | снято с производства | |||
| 9 | LOCKWASHER, (.250) Stainless Steel, LATCH ANCHOR SCREW | 2 | 90 руб. | |||
| 10 | BEARING, NYLON - WATER OUTLET TUBE | 1 | цена по запросу | |||
| 11 | SEAL, (.500 Inch Outside Diameter), RUBBER - WATER OUTLET TUBE | 1 | 430 руб. | |||
| 12 | SCREW, BOTTOM COWL (3/4") | 1 | снято с производства | |||
| 13 | LOCKWASHER, (.250) Stainless Steel, BOTTOM COWL SCREW | 1 | 90 руб. | |||
| 14 | GASKET, POWERHEAD TO ADOPTOR PLATE | 1 | 530 руб. | |||
| 15 | фиксатор | 1 | ELECTRIC | цена по запросу | ||
| 16 | Винт (#10-16 x 0.500) | 1 | ELECTRIC | 220 руб. | ||
| 17 | SPRING, CALBE TO ARM LATCH | 1 | снято с производства | |||
| 18 | LATCH, ARM - BOTTOM COWL | 1 | снято с производства | |||
| 19 | BEARING, Needle, ARM LOCATING | 1 | цена по запросу | |||
| 20 | LATCH, BODY - BOTTOM COWL | 1 | снято с производства | |||
| 21 | SCREW, (#10-32 x .625), LATCH TO BOTTOM COWL | 3 | 230 руб. | |||
| 22 | Прокладка | 1 | 1290 руб. | |||
| 23 | кнопка/выключатель стоп в сборе | 1 | MANUAL | 12890 руб. | ||
| 24 | COVER ASSEMBLY, STOP SWITCH | 1 | MANUAL | 2690 руб. | ||
| 25 | LOCKWASHER, STOP SWITCH | 1 | MANUAL | снято с производства | ||
| 26 | гайка кнопки (выключателя) стоп | 1 | MANUAL | снято с производства | ||
| 27 | Ручка управления механизмом переключения передач | 1 | (MANUAL) | цена по запросу | ||
| 27 | Ручка управления механизмом переключения передач | 1 | (ELECTRIC) | 3490 руб. | ||
| 28 | WASHER, (.281 x .500 x .060) Stainless Steel, SHIFT CONTROL SHAFT | 1 | цена по запросу | |||
| 29 | NUT, SHIFT HANDLE TO SHIFT CONTROL SHAFT | 1 | цена по запросу | |||
| 30 | Нейлоновый вкладыш вала управления механизмом переключения передач | 2 | снято с производства | |||
| 31 | LEVER, SHIFT CONTROL (REMOTE) | 1 | снято с производства | |||
| 32 | PIN, SHIFT LEVER TO SHIFT CONTROL SHAFT | 1 | снято с производства | |||
| 33 | SHAFT, SHIFT CONTROL | 1 | снято с производства | |||
| 34 | SECTOR GEAR | 1 | снято с производства | |||
| 35 | WASHER, (.281 x .500 x .060) Stainless Steel, SHIFT CONTROL SHAFT | 1 | цена по запросу | |||
| 36 | NUT, (.250-28), SECTOR GEAR TO SHIFT CONTROL SHAFT | 1 | 120 руб. | |||
| 37 | SPRING, DETENT - SHIFT CONTROL LEVER | 1 | 870 руб. | |||
| 38 | пластина пружины-ограничителя | 1 | снято с производства | |||
| 39 | SCREW, (.190-32 x .50) | 2 | 360 руб. | |||
| 40 | BUSHING, NYLON - UPPER SHIFT SHAFT | 1 | 460 руб. | |||
| 41 | SECTOR GEAR, SHIFT SHAFT | 1 | снято с производства | |||
| 42 | вал механизма переключения передач | 1 | снято с производства | |||
| - | Набор прокладок | снято с производства | ||||
| 1 | Art.: 2159-6587A5 COWL ASSEMBLY, BOTTOM Деталей в узле: 1 снято с производства 2 | Art.: 19-95925 пробка нижней части колпака Деталей в узле: 3 3 | Art.: 74360 пробка нижней части колпака Деталей в узле: 1 снято с производства 4 | Art.: 39778 резиновая втулка вала воздушной заслонки (нижняя часть колпака) Деталей в узле: 1 снято с производства 5 | Art.: 66353 COVER, ACCESS HOLE Деталей в узле: 1 снято с производства 6 | Art.: 65479 COVER, ACCESS HOLE Деталей в узле: 1 снято с производства 7 | Art.: 39474 ANCHOR, LATCH - BOTTOM COWL Деталей в узле: 1 снято с производства 8 | Art.: 10-22483 SCREW, (.250-28 x 1.12), LATCH ANCHOR Деталей в узле: 2 снято с производства 9 | Art.: 13-26992 LOCKWASHER, (.250) Stainless Steel, LATCH ANCHOR SCREW Деталей в узле: 2 10 | Art.: BEARING, NYLON - WATER OUTLET TUBE Деталей в узле: 1 цена по запросу 11 | Art.: 26-36556 SEAL, (.500 Inch Outside Diameter), RUBBER - WATER OUTLET TUBE Деталей в узле: 1 12 | Art.: 10-38111 SCREW, BOTTOM COWL (3/4") Деталей в узле: 1 снято с производства 13 | Art.: 13-26992 LOCKWASHER, (.250) Stainless Steel, BOTTOM COWL SCREW Деталей в узле: 1 14 | Art.: 27-89937 GASKET, POWERHEAD TO ADOPTOR PLATE Деталей в узле: 1 15 | Art.: 74354 фиксатор (ELECTRIC)Деталей в узле: 1 цена по запросу
16 | Art.: 10-48408 Винт (#10-16 x 0.500) (ELECTRIC)Деталей в узле: 1 17 | Art.: 24-78810 SPRING, CALBE TO ARM LATCH Деталей в узле: 1 снято с производства 18 | Art.: 78809 LATCH, ARM - BOTTOM COWL Деталей в узле: 1 снято с производства 19 | Art.: BEARING, Needle, ARM LOCATING Деталей в узле: 1 цена по запросу
20 | Art.: 78808 LATCH, BODY - BOTTOM COWL Деталей в узле: 1 снято с производства 21 | Art.: 10-32228 SCREW, (#10-32 x .625), LATCH TO BOTTOM COWL Деталей в узле: 3 22 | Art.: 27-39050 Прокладка Деталей в узле: 1 23 | Art.: 87-69508A31 кнопка/выключатель стоп в сборе (MANUAL)Деталей в узле: 1 24 | Art.: 87-99525A1 COVER ASSEMBLY, STOP SWITCH (MANUAL)Деталей в узле: 1 25 | Art.: 13-69845 LOCKWASHER, STOP SWITCH (MANUAL)Деталей в узле: 1 снято с производства 26 | Art.: 11-69844 гайка кнопки (выключателя) стоп (MANUAL)Деталей в узле: 1 снято с производства 27 | Ручка управления механизмом переключения передач ((MANUAL))Деталей в узле: 1 цена по запросу 27 | Art.: Ручка управления механизмом переключения передач ((ELECTRIC))Деталей в узле: 1 28 | Art.: 12-29245 WASHER, (.281 x .500 x .060) Stainless Steel, SHIFT CONTROL SHAFT Деталей в узле: 1 цена по запросу
29 | Art.: NUT, SHIFT HANDLE TO SHIFT CONTROL SHAFT Деталей в узле: 1 цена по запросу 30 | Art.: 23-66375 Нейлоновый вкладыш вала управления механизмом переключения передач Деталей в узле: 2 снято с производства 31 | Art.: 74350 LEVER, SHIFT CONTROL (REMOTE) Деталей в узле: 1 снято с производства 32 | Art.: 17-25905 PIN, SHIFT LEVER TO SHIFT CONTROL SHAFT Деталей в узле: 1 снято с производства 33 | Art.: 66379 SHAFT, SHIFT CONTROL Деталей в узле: 1 снято с производства 34 | Art.: 43-66377 SECTOR GEAR Деталей в узле: 1 снято с производства 35 | Art.: 12-29245 WASHER, (.281 x .500 x .060) Stainless Steel, SHIFT CONTROL SHAFT Деталей в узле: 1 цена по запросу
36 | Art.: NUT, (.250-28), SECTOR GEAR TO SHIFT CONTROL SHAFT Деталей в узле: 1 37 | Art.: 24-39627 SPRING, DETENT - SHIFT CONTROL LEVER Деталей в узле: 1 38 | Art.: 39601 пластина пружины-ограничителя Деталей в узле: 1 снято с производства 39 | Art.: 10-25764 SCREW, (.190-32 x .50) Деталей в узле: 2 40 | Art.: 23-27132 BUSHING, NYLON - UPPER SHIFT SHAFT Деталей в узле: 1 41 | Art.: 43-86686A1 SECTOR GEAR, SHIFT SHAFT Деталей в узле: 1 снято с производства 42 | Art.: 71660 вал механизма переключения передач Деталей в узле: 1 снято с производства - | Art.: 27-89014A80 Набор прокладок Деталей в узле: снято с производства | |||||||||||||||||||||||||||||||||||||||||||||
