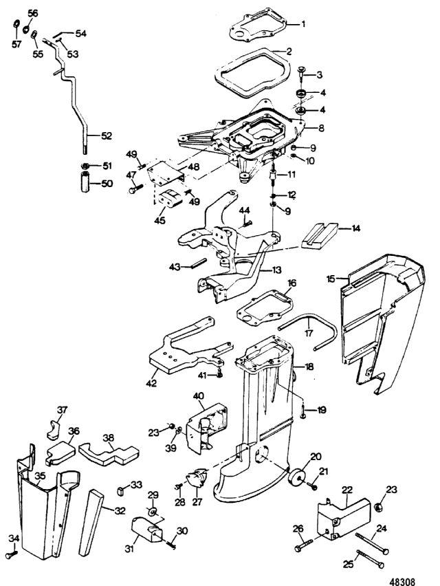
35 HP (1987) FORCE
Motor Leg
Motor Leg
| № | Артикул | Наименование | Деталей в узле | Комментарий | Цена | |
| 1 | GASKET, CYLINDER EXHAUST | 1 | снято с производства | |||
| 2 | PACKING, SUPPORT PLATE | 1 | снято с производства | |||
| 3 | FASTENER, SUPPORT PLATE | 4 | снято с производства | |||
| 4 | MOUNT, SUPPORT PLATE | 8 | снято с производства | |||
| 8 | PLATE, SHOCK MOUNT | 1 | снято с производства | |||
| 9 | NUT, (.375-16) SS | 4 | цена по запросу | |||
| 10 | шайба | 2 | цена по запросу | |||
| 11 | SHOCK MOUNT | 2 | снято с производства | |||
| 12 | TAB, SHOCK MOUNT SIDE | 2 | снято с производства | |||
| 13 | PLATE, KINGPIN MOUNTING | 1 | снято с производства | |||
| 14 | PAD, KINGPIN MOUNTING PLATE | 1 | снято с производства | |||
| 15 | LEG COVER REAR W/PACKING | 1 | снято с производства | |||
| 16 | GASKET, LEG EXHAUST | 1 | снято с производства | |||
| 17 | PACKING, LEG COVER REAR | 2 | снято с производства | |||
| 18 | MOTOR LEG | 1 | снято с производства | |||
| 19 | SCREW, MOTOR LEG TO CYLINDER | 6 | снято с производства | |||
| 20 | SHOCK MOUNT, Side | 2 | снято с производства | |||
| 21 | SCREW, (.312-18 x .562) SS | 2 | цена по запросу | |||
| 22 | COVER, SHOCK MOUNT PORT | 1 | снято с производства | |||
| 23 | гайка (0.312-18) | 4 | цена по запросу | |||
| 24 | SCREW, (.312 - 18 x 4.750) | 1 | снято с производства | |||
| 25 | SCREW, (.312 - 18 x 4) | 1 | снято с производства | |||
| 26 | SCREW, (.312 - 18 x 1.750) | 2 | цена по запросу | |||
| 27 | Крепление | 1 | снято с производства | |||
| 28 | SCREW, Fill Head (.3125-18 x .500) | 2 | снято с производства | |||
| 29 | NUT, Speed, (.250 - 20) | 2 | снято с производства | |||
| 30 | SCREW, (.250 - 20 x 1.250) | 2 | снято с производства | |||
| 31 | COVER, KINGPIN MOUNTING PLATE | 1 | снято с производства | |||
| 32 | PACKING, LEG COVER SIDE | 2 | снято с производства | |||
| 33 | PACKING, LEG COVER FRONT | 3 | цена по запросу | |||
| 34 | винт (0.250-20 x 0.750) | 6 | цена по запросу | |||
| 35 | LEG COVER FRONT W/PACKING | 1 | снято с производства | |||
| 36 | PACKING, LEG COVER FRONT UPPER-STARBOARD | 1 | снято с производства | |||
| 37 | PACKING, LEG COVER SIDE UPPER | 2 | снято с производства | |||
| 38 | PACKING, LEG COVER FRONT UPPER PORT | 3 | снято с производства | |||
| 39 | Стопорная шайба (0.312) | 2 | цена по запросу | |||
| 40 | COVER, SHOCK MOUNT STARBOARD | 1 | снято с производства | |||
| 41 | SCREW AND LOCKWASHER, (.312 - 18 x 1) | 3 | снято с производства | |||
| 42 | ручка переноски двигателя | 1 | снято с производства | |||
| 43 | стержень пружины | 1 | снято с производства | |||
| 44 | винт (.250-28 x .625) | 2 | снято с производства | |||
| 45 | Крепление | 1 | цена по запросу | |||
| 47 | SCREW AND LOCKWASHER, (.250 - 28 x .625) | 2 | снято с производства | |||
| 48 | BRACKET, SHOCK MOUNT UPPER THRUST | 1 | снято с производства | |||
| 49 | винт (0.250-20 x 0.625) | 4 | снято с производства | |||
| 50 | COUPLER, GEAR SHIFT ROD | 1 | 5180 руб. | |||
| 51 | NUT, (.312 - 18) SS | 1 | цена по запросу | |||
| 52 | ROD, Upper Gear Shift | 1 | снято с производства | |||
| 53 | стержень пружины | 1 | цена по запросу | |||
| 54 | шплинт | 1 | снято с производства | |||
| 55 | WASHER, Bowed | 1 | снято с производства | |||
| 56 | Подшипник | 2 | цена по запросу | |||
| 57 | шайба | 1 | цена по запросу | |||
| 1 | Art.: F458279 GASKET, CYLINDER EXHAUST Деталей в узле: 1 снято с производства 2 | Art.: F183756-1 PACKING, SUPPORT PLATE Деталей в узле: 1 снято с производства 3 | Art.: F458887 FASTENER, SUPPORT PLATE Деталей в узле: 4 снято с производства 4 | Art.: F458347 MOUNT, SUPPORT PLATE Деталей в узле: 8 снято с производства 8 | Art.: F458963 PLATE, SHOCK MOUNT Деталей в узле: 1 снято с производства 9 | Art.: NUT, (.375-16) SS Деталей в узле: 4 цена по запросу 10 | Art.: шайба Деталей в узле: 2 цена по запросу 11 | Art.: F458962 SHOCK MOUNT Деталей в узле: 2 снято с производства 12 | Art.: F458076 TAB, SHOCK MOUNT SIDE Деталей в узле: 2 снято с производства 13 | Art.: 817809A1 PLATE, KINGPIN MOUNTING Деталей в узле: 1 снято с производства 14 | Art.: F458345 PAD, KINGPIN MOUNTING PLATE Деталей в узле: 1 снято с производства 15 | Art.: 818057A1 LEG COVER REAR W/PACKING Деталей в узле: 1 снято с производства 16 | Art.: F458453 GASKET, LEG EXHAUST Деталей в узле: 1 снято с производства 17 | Art.: F458322 PACKING, LEG COVER REAR Деталей в узле: 2 снято с производства 18 | Art.: F458133 MOTOR LEG Деталей в узле: 1 снято с производства 19 | Art.: F458166-2 SCREW, MOTOR LEG TO CYLINDER Деталей в узле: 6 снято с производства 20 | Art.: F462962 SHOCK MOUNT, Side Деталей в узле: 2 снято с производства 21 | Art.: 10-F1263 SCREW, (.312-18 x .562) SS Деталей в узле: 2 цена по запросу
22 | Art.: F458973-1 COVER, SHOCK MOUNT PORT Деталей в узле: 1 снято с производства 23 | Art.: гайка (0.312-18) Деталей в узле: 4 цена по запросу 24 | Art.: F2006 SCREW, (.312 - 18 x 4.750) Деталей в узле: 1 снято с производства 25 | Art.: F2007 SCREW, (.312 - 18 x 4) Деталей в узле: 1 снято с производства 26 | Art.: SCREW, (.312 - 18 x 1.750) Деталей в узле: 2 цена по запросу 27 | Art.: F183346-1 Крепление Деталей в узле: 1 снято с производства 28 | Art.: 10-F1129 SCREW, Fill Head (.3125-18 x .500) Деталей в узле: 2 снято с производства 29 | Art.: F2018 NUT, Speed, (.250 - 20) Деталей в узле: 2 снято с производства 30 | Art.: F2011 SCREW, (.250 - 20 x 1.250) Деталей в узле: 2 снято с производства 31 | Art.: FA460686 COVER, KINGPIN MOUNTING PLATE Деталей в узле: 1 снято с производства 32 | Art.: F458312 PACKING, LEG COVER SIDE Деталей в узле: 2 снято с производства 33 | Art.: PACKING, LEG COVER FRONT Деталей в узле: 3 цена по запросу 34 | Art.: винт (0.250-20 x 0.750) Деталей в узле: 6 цена по запросу 35 | Art.: 818056A2 LEG COVER FRONT W/PACKING Деталей в узле: 1 снято с производства 36 | Art.: F458324 PACKING, LEG COVER FRONT UPPER-STARBOARD Деталей в узле: 1 снято с производства 37 | Art.: F458315 PACKING, LEG COVER SIDE UPPER Деталей в узле: 2 снято с производства 38 | Art.: F458320 PACKING, LEG COVER FRONT UPPER PORT Деталей в узле: 3 снято с производства 39 | Art.: Стопорная шайба (0.312) Деталей в узле: 2 цена по запросу 40 | Art.: F458972-1 COVER, SHOCK MOUNT STARBOARD Деталей в узле: 1 снято с производства 41 | Art.: F1745 SCREW AND LOCKWASHER, (.312 - 18 x 1) Деталей в узле: 3 снято с производства 42 | Art.: F385647 ручка переноски двигателя Деталей в узле: 1 снято с производства 43 | Art.: F1663 стержень пружины Деталей в узле: 1 снято с производства 44 | Art.: 10-F1160 винт (.250-28 x .625) Деталей в узле: 2 снято с производства 45 | Art.: Крепление Деталей в узле: 1 цена по запросу 47 | Art.: F1211 SCREW AND LOCKWASHER, (.250 - 28 x .625) Деталей в узле: 2 снято с производства 48 | Art.: F40956 BRACKET, SHOCK MOUNT UPPER THRUST Деталей в узле: 1 снято с производства 49 | Art.: 10-F1922 винт (0.250-20 x 0.625) Деталей в узле: 4 |
