40/50 (3 CYLINDER) 2-STROKE
топливный насос (двигатели с ручным запуском)
топливный насос (двигатели с ручным запуском)
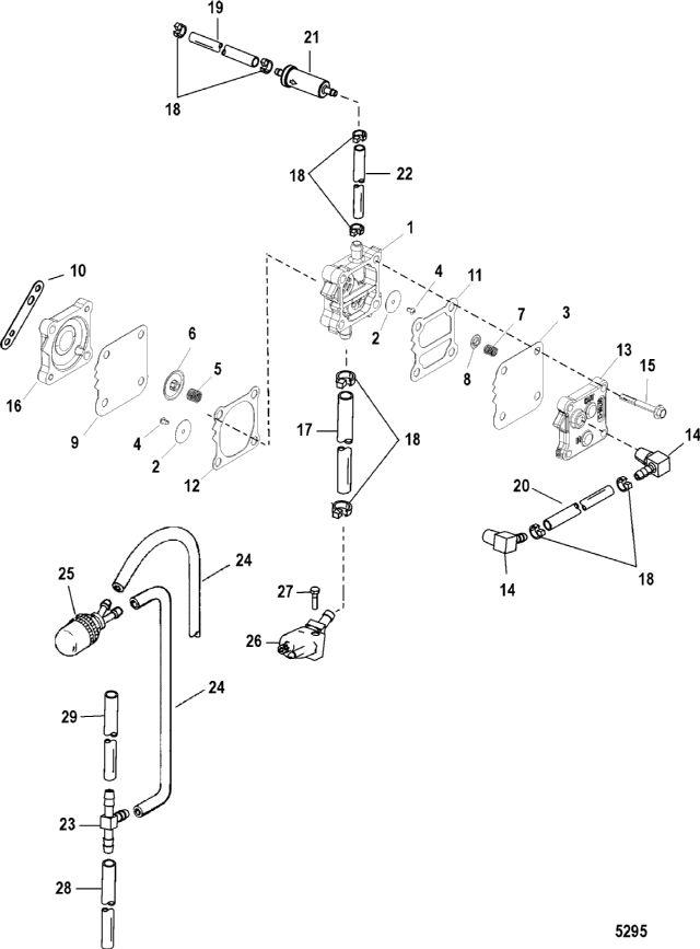
| № | Артикул | Наименование | Деталей в узле | Комментарий | Цена | |
| 1 | NSS | не продается по отдельности, топливный насос | 1 | |||
| 2 | комплект диафрагмы | 2 | 3830 руб. | |||
| 3 | NSS | не продается по отдельности, комплект диафрагмы | 1 | |||
| 4 | NSS | не продается по отдельности, фиксатор | 2 | |||
| 5 | NSS | Не продается по отдельности, пружина | 1 | |||
| 6 | NSS | Не продается по отдельности, крышка | 1 | |||
| 7 | NSS | не продается по отдельности, диафрагма | 1 | |||
| 8 | NSS | Не продается по отдельности, крышка | 1 | |||
| 9 | NSS | не продается по отдельности, диафрагма | 1 | |||
| 10 | Прокладка | 1 | цена по запросу | |||
| 11 | NSS | NOT SOLD SEPARATE, Gasket-Boost | 1 | |||
| 12 | NSS | NOT SOLD SEPARATE, Gasket-Pulse | 1 | |||
| 13 | Пластина | 1 | 3520 руб. | |||
| 14 | CONNECTOR, (90 Degree) With Vibraseal ( To Crankcase) | 2 | 720 руб. | |||
| 15 | Винт (M5 x 40) | 2 | 260 руб. | |||
| 15 | Винт (М6 х 50) | 2 | 400 руб. | |||
| 16 | основание | 1 | 2660 руб. | |||
| 17 | труба (.312, длина 70", требуется 22") | 1 | 9390 руб. | |||
| 18 | ленточный хомут (8") | AR | 30 руб. | |||
| 19 | топливопровод к карбюратору | 1 | 710 руб. | |||
| 20 | шланг (.187, длина 26", требуется 4 1/2") | 1 | 3440 руб. | |||
| 21 | Топливный фильтр | 1 | 1060 руб. | |||
| 22 | Шланг | 1 | 900 руб. | |||
| 23 | Т-образный фиттинг | 1 | 760 руб. | |||
| 24 | труба (длина 240", требуется 9 1/2") | 2 | (To Top Carburetor) | 5780 руб. | ||
| 25 | заливная груша | 1 | 8390 руб. | |||
| 26 | топливный соединитель в сборе | 1 | 4920 руб. | |||
| 27 | винт (M6 x 35) | 1 | 220 руб. | |||
| 28 | труба (длина 240", требуется 5 1/2") | 1 | (To Manifold Bottom) | 5780 руб. | ||
| 29 | труба (длина 240", требуется 1 1/2") | 1 | (To Manifold Top) | 5780 руб. | ||
| - | силовая головка в сборе | 1 | 949060 руб. | |||
| - | Набор прокладок | 1 | 10360 руб. | |||
| - | Комплект топливного насоса | 1 | 32590 руб. | |||
| 1 | Art.: -NSS не продается по отдельности, топливный насос Деталей в узле: 1 2 | Art.: 21-857005A1 комплект диафрагмы Деталей в узле: 2 3 | Art.: -NSS не продается по отдельности, комплект диафрагмы Деталей в узле: 1 4 | Art.: -NSS не продается по отдельности, фиксатор Деталей в узле: 2 5 | Art.: -NSS Не продается по отдельности, пружина Деталей в узле: 1 6 | Art.: -NSS Не продается по отдельности, крышка Деталей в узле: 1 7 | Art.: -NSS не продается по отдельности, диафрагма Деталей в узле: 1 8 | Art.: -NSS Не продается по отдельности, крышка Деталей в узле: 1 9 | Art.: -NSS не продается по отдельности, диафрагма Деталей в узле: 1 10 | Art.: 27-987691 Прокладка Деталей в узле: 1 цена по запросу
11 | Art.: -NSS NOT SOLD SEPARATE, Gasket-Boost Деталей в узле: 1 12 | Art.: -NSS NOT SOLD SEPARATE, Gasket-Pulse Деталей в узле: 1 13 | Art.: 987752 Пластина Деталей в узле: 1 14 | Art.: CONNECTOR, (90 Degree) With Vibraseal ( To Crankcase) Деталей в узле: 2 15 | Art.: 10-82104540 Винт (M5 x 40) Деталей в узле: 2 15 | Art.: 10-82130050 Винт (М6 х 50) Деталей в узле: 2 16 | Art.: 144303 основание Деталей в узле: 1 17 | труба (.312, длина 70", требуется 22") Деталей в узле: 1 18 | Art.: 54-816311T ленточный хомут (8") Деталей в узле: AR 19 | Art.: 32-830761 топливопровод к карбюратору Деталей в узле: 1 20 | Art.: 32-9912878 шланг (.187, длина 26", требуется 4 1/2") Деталей в узле: 1 21 | Art.: 35-816296Q2 Топливный фильтр Деталей в узле: 1 22 | Art.: 32-831949 Шланг Деталей в узле: 1 23 | Art.: 22-59169003 Т-образный фиттинг Деталей в узле: 1 24 | Art.: 32-892024122 труба (длина 240", требуется 9 1/2") ((To Top Carburetor))Деталей в узле: 2 25 | Art.: 858763 заливная груша Деталей в узле: 1 26 | Art.: топливный соединитель в сборе Деталей в узле: 1 27 | Art.: 10-4000332 винт (M6 x 35) Деталей в узле: 1 28 | Art.: 32-892024122 труба (длина 240", требуется 5 1/2") ((To Manifold Bottom))Деталей в узле: 1 29 | Art.: 32-892024122 труба (длина 240", требуется 1 1/2") ((To Manifold Top))Деталей в узле: 1 - | Art.: 852067T98 силовая головка в сборе Деталей в узле: 1 - | Art.: 27-828553A97 Набор прокладок Деталей в узле: 1 - | Art.: 14360A78 Комплект топливного насоса Деталей в узле: 1 | ||||||||||||||||||||||||||||||||||
