90 HP C-MODELS (1990) FORCE
силовая головка в сборе
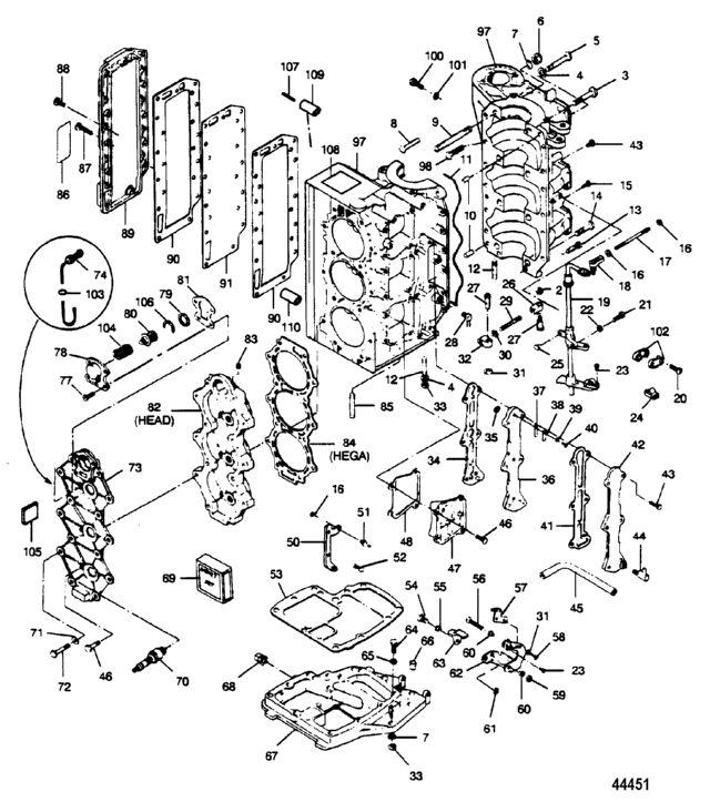
силовая головка в сборе
| № | Артикул | Наименование | Деталей в узле | Комментарий | Цена | |
| 2 | гайка (#10-24) | 1 | 310 руб. | |||
| 3 | BOLT, (.375-16 x 2.75) | 1 | цена по запросу | |||
| 4 | шайба | 4 | цена по запросу | |||
| 5 | винт (0.375-16 x 3.00) | 4 | цена по запросу | |||
| 6 | NUT, (.375-16) SS | 1 | цена по запросу | |||
| 7 | шайба | 14 | цена по запросу | |||
| 8 | винт (0.250-20 x 0.750) | 9 | цена по запросу | |||
| 9 | шпилька | 1 | цена по запросу | |||
| 10 | посадочный штифт | 2 | цена по запросу | |||
| 11 | SEAL, PARTING LINE | 1 | 2920 руб. | |||
| 12 | STUD, (.375-16 x 2.25), FORWARD | 4 | снято с производства | |||
| 13 | винт (0.250-20 x 1.250) | 2 | 260 руб. | |||
| 14 | винт (0.375-16 x 1.75) | 2 | цена по запросу | |||
| 15 | винт (0.250-20 x 1.00) | 1 | цена по запросу | |||
| 16 | гайка (#10-32) | 2 | цена по запросу | |||
| 17 | приводная штанга дроссельной заслонки | 1 | снято с производства | |||
| 18 | BEARING, With Ball Joint | 1 | 2350 руб. | |||
| 19 | TOWERSHAFT ASSEMBLY | 1 | снято с производства | |||
| 20 | SCREW, (#10-24 x .875) | 2 | снято с производства | |||
| 21 | винт (0.250-20 x 1.250) | 1 | 260 руб. | |||
| 22 | гайка (.250-20) нержавеющая сталь | 1 | цена по запросу | |||
| 23 | SCREW, (10-24 x .375) | 2 | цена по запросу | |||
| 24 | SWIVEL | 2 | снято с производства | |||
| 25 | заклепка | 1 | снято с производства | |||
| 26 | END | 1 | цена по запросу | |||
| 27 | SWIVEL | 2 | снято с производства | |||
| 28 | ELBOW, (L) | 1 | снято с производства | |||
| 29 | ROD, Distributor Control, SPARK CONTROL | 1 | цена по запросу | |||
| 30 | гайка (0.250-28), нержавеющая сталь | 1 | 260 руб. | |||
| 31 | шайба | 2 | цена по запросу | |||
| 32 | END, CONTROL ROD TO TRIGGER | 1 | 1520 руб. | |||
| 33 | гайка (0.375-16) | 10 | цена по запросу | |||
| 34 | GASKET, CYLINDER DRAIN REED PLATE | 1 | 730 руб. | |||
| 35 | Экран | 3 | снято с производства | |||
| 36 | REED PLATE ASSEMBLY, Cylinder Drain | 1 | снято с производства | |||
| 37 | REED | 3 | 1140 руб. | |||
| 38 | фиксатор лепесткового клапана | 3 | снято с производства | |||
| 39 | шайба | 3 | цена по запросу | |||
| 40 | SCREW, (#4-40 x .187) | 3 | снято с производства | |||
| 41 | GASKET, CYLINDER DRAIN COVER | 1 | 650 руб. | |||
| 42 | COVER ASSEMBLY, Cylinder Drain | 1 | W/PLUG AND LITERATURE ORIGINAL FORCE P/N A404471-1 | цена по запросу | ||
| 43 | винт (0.250-20 x 1.00) | 6 | 230 руб. | |||
| 44 | фиттинг | 1 | снято с производства | |||
| 45 | Шланг | 1 | снято с производства | |||
| 46 | винт (0.250-20 x 0.625) | 3 | цена по запросу | |||
| 47 | крышка | 2 | W/PLUGS AND LITERATURE ORIGINAL FORCE P/N A411222-1 | снято с производства | ||
| 48 | GASKET, TRANSFER PORT COVER | 3 | 1500 руб. | |||
| 50 | BRACKET, REMOTE CABLE | 1 | цена по запросу | |||
| 51 | шпилька | 2 | снято с производства | |||
| 52 | винт (0.250-20 x 0.750) | 2 | цена по запросу | |||
| 53 | GASKET, Cylinder Exhaust, UPPER | 1 | 2370 руб. | |||
| 54 | винт заслонки | 1 | снято с производства | |||
| 55 | Подшипник | 1 | снято с производства | |||
| 56 | BOLT, (5/16-18 X 4.25) | 1 | снято с производства | |||
| 57 | CAM, STARTER INTERLOCK | 1 | цена по запросу | |||
| 58 | SCREW, (10-24 x .312) | 2 | снято с производства | |||
| 59 | NUT, (5/16-18) | 1 | снято с производства | |||
| 60 | Подшипник | 2 | цена по запросу | |||
| 61 | NUT, Lock (.250-20) | 1 | цена по запросу | |||
| 62 | ARM ASSEMBLY, Gear Shift | 1 | цена по запросу | |||
| 63 | INTERLOCK ARM | 1 | 8330 руб. | |||
| 64 | BOLT, (.375-16 x 1.250) | 6 | цена по запросу | |||
| 65 | стопорная шайба | 6 | цена по запросу | |||
| 66 | BEARING, TOWERSHAFT | 1 | снято с производства | |||
| 67 | SPACER PLATE | 1 | снято с производства | |||
| 68 | пробка | 1 | снято с производства | |||
| 69 | Набор прокладок | 1 | цена по запросу | |||
| 70 | SPARK PLUG (CHAMPION UL-18-V) | 3 | цена по запросу | |||
| 71 | шайба | 14 | цена по запросу | |||
| 72 | BOLT, (.312-18 x 2.375) | 14 | 630 руб. | |||
| 73 | крышка головки блока | 1 | снято с производства | |||
| 74 | THERMOSWITCH | 1 | цена по запросу | |||
| 77 | винт (0.250-20 x 0.625) | 4 | цена по запросу | |||
| 78 | Крышка термостата | 1 | цена по запросу | |||
| 79 | уплотнение термостата | 1 | 2540 руб. | |||
| 80 | термостат, 54В°C (130В°F) | 1 | 4330 руб. | |||
| 81 | прокладка крышки термостата | 1 | 240 руб. | |||
| 82 | HEAD, CYLINDER | 1 | 53160 руб. | |||
| 83 | пробка | 1 | цена по запросу | |||
| 84 | прокладка головки блока | 1 | цена по запросу | |||
| 85 | STUD, REAR | 6 | снято с производства | |||
| 86 | DECAL, WIRING | 1 | снято с производства | |||
| 87 | винт (0.250-20 x 0.625) | 21 | цена по запросу | |||
| 88 | винт (0.250-20 x 0.875) | 2 | снято с производства | |||
| 89 | COVER, EXHAUST PORT | 1 | снято с производства | |||
| 90 | GASKET, Exhaust Port Plate | 2 | 2340 руб. | |||
| 91 | PLATE, EXHAUST PORT | 1 | 7400 руб. | |||
| 97 | Цилиндр в сборе | 1 | снято с производства | |||
| 98 | винт (0.250-20 x 0.875) | 2 | снято с производства | |||
| 100 | винт (0.312-18 x 0.750) | 1 | цена по запросу | |||
| 101 | Стопорная шайба (0.312) | 1 | цена по запросу | |||
| 102 | комплект подшипника | 2 | снято с производства | |||
| 103 | RING, Retaining, THERMOSWITCH | 1 | цена по запросу | |||
| 104 | SPRING, THERMOSTAT | 1 | снято с производства | |||
| 105 | DECAL, "US MARINE" | 1 | цена по запросу | |||
| 106 | SPACER, Theremostat Seal | 1 | 790 руб. | |||
| 107 | PIN, Water Jacket Tube | 1 | снято с производства | |||
| 108 | DECAL, Wiring | 1 | снято с производства | |||
| 109 | TUBE, Water Jacket | 1 | снято с производства | |||
| 110 | TUBE, Water Jacket | 1 | снято с производства | |||
| - | GASKET, Exhaust Port Plate | 2 | 2340 руб. | |||
| - | Уплотнение | 1 | 2920 руб. | |||
| - | уплотнение термостата | 1 | 2540 руб. | |||
| - | Прокладка | 3 | 1500 руб. | |||
| - | Прокладка | 1 | 1500 руб. | |||
| - | GASKET, Reed Plate Adaptor | 3 | цена по запросу | |||
| - | силовой агрегат без навесного оборудования, коллекторов, маховика, поддона и головки блока цилиндров | 1 | цена по запросу | |||
| - | Прокладка | 3 | 260 руб. | |||
| - | Прокладка | 1 | 240 руб. | |||
| - | прокладка головки блока | 1 | цена по запросу | |||
| - | Прокладка | 3 | 150 руб. | |||
| - | Прокладка | 1 | цена по запросу | |||
| - | Прокладка | 1 | 730 руб. | |||
| - | GASKET, Cylinder Exhaust, Upper | 1 | 2370 руб. | |||
| - | Прокладка | 1 | 650 руб. | |||
| 2 | Art.: 11-F7009 гайка (#10-24) Деталей в узле: 1 3 | Art.: BOLT, (.375-16 x 2.75) Деталей в узле: 1 цена по запросу 4 | Art.: шайба Деталей в узле: 4 цена по запросу 5 | Art.: винт (0.375-16 x 3.00) Деталей в узле: 4 цена по запросу 6 | Art.: NUT, (.375-16) SS Деталей в узле: 1 цена по запросу 7 | Art.: шайба Деталей в узле: 14 цена по запросу 8 | Art.: винт (0.250-20 x 0.750) Деталей в узле: 9 цена по запросу 9 | шпилька Деталей в узле: 1 цена по запросу 10 | Art.: посадочный штифт Деталей в узле: 2 цена по запросу 11 | Art.: F698122 SEAL, PARTING LINE Деталей в узле: 1 12 | Art.: 16-F85859 STUD, (.375-16 x 2.25), FORWARD Деталей в узле: 4 снято с производства 13 | Art.: 10-F1504 винт (0.250-20 x 1.250) Деталей в узле: 2 14 | Art.: винт (0.375-16 x 1.75) Деталей в узле: 2 цена по запросу 15 | Art.: винт (0.250-20 x 1.00) Деталей в узле: 1 цена по запросу 16 | Art.: гайка (#10-32) Деталей в узле: 2 цена по запросу 17 | Art.: приводная штанга дроссельной заслонки Деталей в узле: 1 снято с производства 18 | Art.: BEARING, With Ball Joint Деталей в узле: 1 19 | Art.: 817968A2 TOWERSHAFT ASSEMBLY Деталей в узле: 1 снято с производства 20 | Art.: 10-F1829 SCREW, (#10-24 x .875) Деталей в узле: 2 снято с производства 21 | Art.: 10-F1504 винт (0.250-20 x 1.250) Деталей в узле: 1 22 | Art.: гайка (.250-20) нержавеющая сталь Деталей в узле: 1 цена по запросу 23 | Art.: SCREW, (10-24 x .375) Деталей в узле: 2 цена по запросу 24 | Art.: FK405020 SWIVEL Деталей в узле: 2 снято с производства 25 | Art.: 17-F1727 заклепка Деталей в узле: 1 снято с производства 26 | Art.: END Деталей в узле: 1 цена по запросу 27 | Art.: F499026 SWIVEL Деталей в узле: 2 снято с производства 28 | Art.: 22-F84314-2 ELBOW, (L) Деталей в узле: 1 снято с производства 29 | Art.: ROD, Distributor Control, SPARK CONTROL Деталей в узле: 1 цена по запросу 30 | Art.: 11-F2015 гайка (0.250-28), нержавеющая сталь Деталей в узле: 1 31 | Art.: шайба Деталей в узле: 2 цена по запросу 32 | Art.: F499035 END, CONTROL ROD TO TRIGGER Деталей в узле: 1 33 | Art.: гайка (0.375-16) Деталей в узле: 10 цена по запросу 34 | Art.: 27-F85748-2 GASKET, CYLINDER DRAIN REED PLATE Деталей в узле: 1 35 | Art.: 35-F93811 Экран Деталей в узле: 3 снято с производства 36 | Art.: F2A404757 REED PLATE ASSEMBLY, Cylinder Drain Деталей в узле: 1 снято с производства 37 | Art.: 34-F18160-3 REED Деталей в узле: 3 38 | Art.: F93920 фиксатор лепесткового клапана Деталей в узле: 3 снято с производства 39 | Art.: шайба Деталей в узле: 3 цена по запросу 40 | Art.: 10-F1286 SCREW, (#4-40 x .187) Деталей в узле: 3 снято с производства 41 | Art.: 27-F85472-2 GASKET, CYLINDER DRAIN COVER Деталей в узле: 1 42 | Art.: 817787A1 COVER ASSEMBLY, Cylinder Drain (W/PLUG AND LITERATURE ORIGINAL FORCE P/N A404471-1)Деталей в узле: 1 цена по запросу
43 | Art.: винт (0.250-20 x 1.00) Деталей в узле: 6 44 | Art.: 22-F404801 фиттинг Деталей в узле: 1 снято с производства 45 | Шланг Деталей в узле: 1 снято с производства 46 | Art.: винт (0.250-20 x 0.625) Деталей в узле: 3 цена по запросу 47 | Art.: 817790A1 крышка (W/PLUGS AND LITERATURE ORIGINAL FORCE P/N A411222-1)Деталей в узле: 2 снято с производства 48 | GASKET, TRANSFER PORT COVER Деталей в узле: 3 50 | Art.: BRACKET, REMOTE CABLE Деталей в узле: 1 цена по запросу 51 | Art.: 16-F98273 шпилька Деталей в узле: 2 снято с производства 52 | Art.: винт (0.250-20 x 0.750) Деталей в узле: 2 цена по запросу 53 | Art.: GASKET, Cylinder Exhaust, UPPER Деталей в узле: 1 54 | Art.: 10-F369887 винт заслонки Деталей в узле: 1 снято с производства 55 | Art.: 23-F369610 Подшипник Деталей в узле: 1 снято с производства 56 | Art.: 10-F1885 BOLT, (5/16-18 X 4.25) Деталей в узле: 1 снято с производства 57 | Art.: CAM, STARTER INTERLOCK Деталей в узле: 1 цена по запросу 58 | Art.: 10-F2089 SCREW, (10-24 x .312) Деталей в узле: 2 снято с производства 59 | Art.: 11-F2108 NUT, (5/16-18) Деталей в узле: 1 снято с производства 60 | Art.: Подшипник Деталей в узле: 2 цена по запросу 61 | Art.: NUT, Lock (.250-20) Деталей в узле: 1 цена по запросу
62 | Art.: FA480876 ARM ASSEMBLY, Gear Shift Деталей в узле: 1 цена по запросу
63 | Art.: INTERLOCK ARM Деталей в узле: 1 64 | Art.: BOLT, (.375-16 x 1.250) Деталей в узле: 6 цена по запросу 65 | Art.: стопорная шайба Деталей в узле: 6 цена по запросу 66 | Art.: 23-F40689-1 BEARING, TOWERSHAFT Деталей в узле: 1 снято с производства 67 | Art.: SPACER PLATE Деталей в узле: 1 снято с производства 68 | Art.: 22-F2090 пробка Деталей в узле: 1 снято с производства 69 | Art.: Набор прокладок Деталей в узле: 1 цена по запросу 70 | Art.: SPARK PLUG (CHAMPION UL-18-V) Деталей в узле: 3 цена по запросу 71 | Art.: шайба Деталей в узле: 14 цена по запросу 72 | Art.: 10-F1883 BOLT, (.312-18 x 2.375) Деталей в узле: 14 73 | Art.: 1000-F692995 крышка головки блока Деталей в узле: 1 снято с производства 74 | Art.: THERMOSWITCH Деталей в узле: 1 цена по запросу 77 | Art.: винт (0.250-20 x 0.625) Деталей в узле: 4 цена по запросу 78 | Art.: Крышка термостата Деталей в узле: 1 цена по запросу
79 | Art.: 26-F664914 уплотнение термостата Деталей в узле: 1 80 | Art.: термостат, 54В°C (130В°F) Деталей в узле: 1 81 | Art.: прокладка крышки термостата Деталей в узле: 1 82 | Art.: HEAD, CYLINDER Деталей в узле: 1 83 | Art.: пробка Деталей в узле: 1 цена по запросу 84 | Art.: прокладка головки блока Деталей в узле: 1 цена по запросу 85 | Art.: STUD, REAR Деталей в узле: 6 снято с производства 86 | Art.: 37-F529398-1 DECAL, WIRING Деталей в узле: 1 снято с производства 87 | Art.: винт (0.250-20 x 0.625) Деталей в узле: 21 цена по запросу 88 | Art.: 10-F901938-1 винт (0.250-20 x 0.875) Деталей в узле: 2 снято с производства 89 | Art.: COVER, EXHAUST PORT Деталей в узле: 1 снято с производства 90 | GASKET, Exhaust Port Plate Деталей в узле: 2 91 | Art.: PLATE, EXHAUST PORT Деталей в узле: 1 |
