FORCE 1989 85 H.P. "C" MODELS
силовая головка
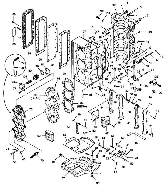
силовая головка
| № | Артикул | Наименование | Деталей в узле | Комментарий | Цена | |
| 2 | LOCK NUT, #10 - 24 | 1 | 310 руб. | |||
| 3 | HEX BOLT, 3/8 - 16 X 2-3/4 | 1 | цена по запросу | |||
| 4 | PLAIN WASHER | 4 | цена по запросу | |||
| 5 | HEX BOLT, 3/8 - 16 X 3 | 4 | цена по запросу | |||
| 6 | HEX NUT, 3/8 - 16 | 1 | цена по запросу | |||
| 7 | PLAIN WASHER | 14 | цена по запросу | |||
| 8 | HEX HD. SCREW, 1/4 - 20 X 3/4 | 9 | цена по запросу | |||
| 9 | шпилька | 1 | цена по запросу | |||
| 10 | посадочный штифт | 2 | цена по запросу | |||
| 11 | SEAL, PARTING LINE | 1 | 2920 руб. | |||
| 12 | STUD, FORWARD | 4 | снято с производства | |||
| 13 | FILL HD. SCREW, 1/4 - 20 X 1-1/4 | 2 | 260 руб. | |||
| 14 | HEX BOLT, 3/8 - 16 X 1-3/4 | 2 | цена по запросу | |||
| 15 | HEX CAP SCREW, 1/4 - 20 X 1 | 1 | цена по запросу | |||
| 16 | STOP NUT | 2 | цена по запросу | |||
| 17 | приводная штанга дросселя | 1 | снято с производства | |||
| 18 | BALL JOINT W/STUD | 1 | 2350 руб. | |||
| 19 | TOWERSHAFT | 1 | снято с производства | |||
| 20 | FILL HD. SCREW, 10 - 24 X 7/8 | 2 | снято с производства | |||
| 21 | FILL HD. SCREW, 1/4 - 20 X 1-1/4 | 1 | 260 руб. | |||
| 22 | HEX NUT, 1/4 - 20 | 1 | цена по запросу | |||
| 23 | FILL HD. SCREW W/LOCKWASHER 10 - 24 X 3/8 | 2 | цена по запросу | |||
| 24 | SWIVEL W/PIVOT SCREW AND NUT | 2 | снято с производства | |||
| 25 | PLASTIC RIVET | 1 | снято с производства | |||
| 26 | TOWERSHAFT CONTROL ROD END | 1 | цена по запросу | |||
| 27 | SWIVEL | 2 | снято с производства | |||
| 28 | колено | 1 | снято с производства | |||
| 29 | ROD, SPARK CONTROL | 1 | цена по запросу | |||
| 30 | HEX NUT, 1/4 - 28 | 1 | 260 руб. | |||
| 31 | PLAIN WASHER | 2 | цена по запросу | |||
| 32 | ROD END, CONTROL ROD TO TRIGGER | 1 | 1520 руб. | |||
| 33 | STOP NUT, 3/18 - 16 | 10 | цена по запросу | |||
| 34 | GASKET, CYLINDER DRAIN REED PLATE | 1 | 730 руб. | |||
| 35 | Экран | 3 | снято с производства | |||
| 36 | CYLINDER DRAIN REED PLATE | 1 | снято с производства | |||
| 37 | REED | 3 | 1140 руб. | |||
| 38 | REED STOP | 3 | снято с производства | |||
| 39 | PLAIN WASHER | 3 | цена по запросу | |||
| 40 | PAN HD. SCREW, 4 - 40 X 3/16 | 3 | снято с производства | |||
| 41 | GASKET, CYLINDER DRAIN COVER | 1 | 650 руб. | |||
| 42 | CYLINDER DRAIN COVER | 1 | W/PLUG AND LITERATURE ORIGINAL FORCE P/N A404471-1 | цена по запросу | ||
| 43 | HEX HD. SCREW, 1/4 - 20 X 1 | 6 | 230 руб. | |||
| 44 | фиттинг | 1 | снято с производства | |||
| 45 | Шланг | 1 | снято с производства | |||
| 46 | HEX HD. SCREW, 1/4 - 20 X 5/8 | 3 | цена по запросу | |||
| 47 | TRANSFER PORT COVER | 2 | W/PLUGS AND LITERATURE | снято с производства | ||
| 48 | GASKET, TRANSFER PORT COVER | 3 | 1500 руб. | |||
| 50 | BRACKET, REMOTE CABLE | 1 | цена по запросу | |||
| 51 | ROD END CONNECTOR STUD | 2 | снято с производства | |||
| 52 | HEX HD. SCREW, 1/4 - 20 X 3/4 | 2 | цена по запросу | |||
| 53 | CYLINDER EXHAUST GASKET, UPPER | 1 | 2370 руб. | |||
| 54 | винт заслонки | 1 | снято с производства | |||
| 55 | Подшипник | 1 | снято с производства | |||
| 56 | HEX BOLT, 5/16 - 18 X 4-1/4 | 1 | снято с производства | |||
| 57 | CAM, STARTER INTERLOCK | 1 | цена по запросу | |||
| 58 | SLOTTED PAN HD. MACHINE SCREW, 10 - 24 X 5/16 | 2 | снято с производства | |||
| 59 | STOP NUT, 5/16 - 18 | 1 | снято с производства | |||
| 60 | Подшипник | 2 | цена по запросу | |||
| 61 | STOP NUT, 1/4 - 20 | 1 | цена по запросу | |||
| 62 | GEAR SHIFT ARM | 1 | цена по запросу | |||
| 63 | INTERLOCK ARM | 1 | 8330 руб. | |||
| 64 | HEX BOLT, 3/8 - 16 X 1-1/4 | 6 | цена по запросу | |||
| 65 | SPRING LOCKWASHER | 6 | цена по запросу | |||
| 66 | BEARING, TOWERSHAFT | 1 | снято с производства | |||
| 67 | SPACER PLATE | 1 | снято с производства | |||
| 68 | пробка | 1 | снято с производства | |||
| 69 | Набор прокладок | 1 | цена по запросу | |||
| 70 | SPARK PLUG (CHAMPION UL-18-V) | 3 | цена по запросу | |||
| 71 | PLAIN WASHER | 14 | цена по запросу | |||
| 72 | HEX BOLT, 5/16 - 18 X 2-3/8 | 14 | 630 руб. | |||
| 73 | крышка головки блока | 1 | снято с производства | |||
| 74 | THERMOSWITCH | 1 | цена по запросу | |||
| 77 | FILL HD. SCREW, 1/4 - 20 X 5/8 | 4 | цена по запросу | |||
| 78 | Крышка термостата | 1 | цена по запросу | |||
| 79 | уплотнение термостата | 1 | 2540 руб. | |||
| 80 | THERMOSTAT (130eF) | 1 | 4330 руб. | |||
| 81 | прокладка крышки термостата | 1 | 240 руб. | |||
| 82 | HEAD, CYLINDER | 1 | цена по запросу | |||
| 83 | пробка | 1 | цена по запросу | |||
| 84 | прокладка головки блока | 1 | цена по запросу | |||
| 85 | STUD, REAR | 6 | снято с производства | |||
| 86 | DECAL, WIRING | 1 | снято с производства | |||
| 87 | HEX HD. SCREW, 1/4 - 20 X 1-1/8 | 21 | цена по запросу | |||
| 88 | HEX HD. SCREW, 1/4 - 20 X 7/8 | 2 | снято с производства | |||
| 89 | COVER, EXHAUST PORT | 1 | снято с производства | |||
| 90 | GASKET, EXHAUST PORT PLATE | 2 | 2340 руб. | |||
| 91 | PLATE, EXHAUST PORT | 1 | 7400 руб. | |||
| 97 | CYLINDER W/COVER | 1 | снято с производства | |||
| 98 | HEX CAP SCREW, 1/4 - 20 X 7/8 | 2 | снято с производства | |||
| 100 | HEX CAP SCREW, 5/16 - 18 X 3/4 | 1 | цена по запросу | |||
| 101 | SPRING LOCKWASHER | 1 | цена по запросу | |||
| 102 | BEARING TOWERSHAFT LOWER | 2 | снято с производства | |||
| 103 | RETAINER, THERMOSWITCH | 1 | цена по запросу | |||
| 104 | SPRING, THERMOSTAT | 1 | 570 руб. | |||
| - | CYLINDER DRAIN REED PLATE GASKET | 1 | 730 руб. | |||
| - | CYLINDER DRAIN COVER GASKET | 1 | 650 руб. | |||
| - | CARBURETOR GASKET | 3 | 150 руб. | |||
| - | CYLINDER HEAD GASKET | 1 | цена по запросу | |||
| - | THERMOSTAT COVER GASKET | 1 | 240 руб. | |||
| - | INTAKE GASKET | 3 | 260 руб. | |||
| - | CYLINDER, EXHAUST - UPPER GASKET | 1 | 2370 руб. | |||
| - | CARBURETOR ADAPTER FLANGE GASKET | 3 | цена по запросу | |||
| - | MANIFOLD GASKET | 1 | 1500 руб. | |||
| - | EXHAUST PORT PLATE GASKET | 2 | 2340 руб. | |||
| - | CRANKCASE SEAL | 1 | 1860 руб. | |||
| - | уплотнение термостата | 1 | 2540 руб. | |||
| - | TRANSFER PORT COVER GASKET | 3 | 1500 руб. | |||
| - | BY-PASS VALVE GASKET | 1 | цена по запросу | |||
| - | SHORT BLOCK (NOT SHOWN) | 1 | цена по запросу | |||
| 2 | Art.: F7009 LOCK NUT, #10 - 24 Деталей в узле: 1 3 | Art.: HEX BOLT, 3/8 - 16 X 2-3/4 Деталей в узле: 1 цена по запросу 4 | Art.: PLAIN WASHER Деталей в узле: 4 цена по запросу 5 | Art.: HEX BOLT, 3/8 - 16 X 3 Деталей в узле: 4 цена по запросу 6 | Art.: HEX NUT, 3/8 - 16 Деталей в узле: 1 цена по запросу 7 | Art.: PLAIN WASHER Деталей в узле: 14 цена по запросу 8 | Art.: HEX HD. SCREW, 1/4 - 20 X 3/4 Деталей в узле: 9 цена по запросу 9 | шпилька Деталей в узле: 1 цена по запросу 10 | Art.: посадочный штифт Деталей в узле: 2 цена по запросу 11 | Art.: F698122 SEAL, PARTING LINE Деталей в узле: 1 12 | Art.: F85859 STUD, FORWARD Деталей в узле: 4 снято с производства 13 | Art.: F1504 FILL HD. SCREW, 1/4 - 20 X 1-1/4 Деталей в узле: 2 14 | Art.: HEX BOLT, 3/8 - 16 X 1-3/4 Деталей в узле: 2 цена по запросу 15 | Art.: HEX CAP SCREW, 1/4 - 20 X 1 Деталей в узле: 1 цена по запросу 16 | Art.: STOP NUT Деталей в узле: 2 цена по запросу 17 | Art.: приводная штанга дросселя Деталей в узле: 1 снято с производства 18 | Art.: BALL JOINT W/STUD Деталей в узле: 1 19 | Art.: 817968A2 TOWERSHAFT Деталей в узле: 1 снято с производства 20 | Art.: F1829 FILL HD. SCREW, 10 - 24 X 7/8 Деталей в узле: 2 снято с производства 21 | Art.: F1504 FILL HD. SCREW, 1/4 - 20 X 1-1/4 Деталей в узле: 1 22 | Art.: HEX NUT, 1/4 - 20 Деталей в узле: 1 цена по запросу 23 | Art.: FILL HD. SCREW W/LOCKWASHER 10 - 24 X 3/8 Деталей в узле: 2 цена по запросу 24 | Art.: FK405020 SWIVEL W/PIVOT SCREW AND NUT Деталей в узле: 2 снято с производства 25 | Art.: F1727 PLASTIC RIVET Деталей в узле: 1 снято с производства 26 | Art.: TOWERSHAFT CONTROL ROD END Деталей в узле: 1 цена по запросу 27 | Art.: F499026 SWIVEL Деталей в узле: 2 снято с производства 28 | Art.: F84314-2 колено Деталей в узле: 1 снято с производства 29 | Art.: ROD, SPARK CONTROL Деталей в узле: 1 цена по запросу 30 | Art.: F2015 HEX NUT, 1/4 - 28 Деталей в узле: 1 31 | Art.: PLAIN WASHER Деталей в узле: 2 цена по запросу 32 | Art.: F499035 ROD END, CONTROL ROD TO TRIGGER Деталей в узле: 1 33 | Art.: STOP NUT, 3/18 - 16 Деталей в узле: 10 цена по запросу 34 | Art.: F85748-2 GASKET, CYLINDER DRAIN REED PLATE Деталей в узле: 1 35 | Art.: F93811 Экран Деталей в узле: 3 снято с производства 36 | Art.: F2A404757 CYLINDER DRAIN REED PLATE Деталей в узле: 1 снято с производства 37 | Art.: F18160-3 REED Деталей в узле: 3 38 | Art.: F93920 REED STOP Деталей в узле: 3 снято с производства 39 | Art.: PLAIN WASHER Деталей в узле: 3 цена по запросу 40 | Art.: F1286 PAN HD. SCREW, 4 - 40 X 3/16 Деталей в узле: 3 снято с производства 41 | Art.: F85472-2 GASKET, CYLINDER DRAIN COVER Деталей в узле: 1 42 | Art.: 817787A1 CYLINDER DRAIN COVER (W/PLUG AND LITERATURE ORIGINAL FORCE P/N A404471-1)Деталей в узле: 1 цена по запросу
43 | Art.: HEX HD. SCREW, 1/4 - 20 X 1 Деталей в узле: 6 44 | Art.: F404801 фиттинг Деталей в узле: 1 снято с производства 45 | Шланг Деталей в узле: 1 снято с производства 46 | Art.: HEX HD. SCREW, 1/4 - 20 X 5/8 Деталей в узле: 3 цена по запросу 47 | Art.: TRANSFER PORT COVER (W/PLUGS AND LITERATURE)Деталей в узле: 2 снято с производства 48 | GASKET, TRANSFER PORT COVER Деталей в узле: 3 50 | Art.: BRACKET, REMOTE CABLE Деталей в узле: 1 цена по запросу 51 | Art.: F98273 ROD END CONNECTOR STUD Деталей в узле: 2 снято с производства 52 | Art.: HEX HD. SCREW, 1/4 - 20 X 3/4 Деталей в узле: 2 цена по запросу 53 | Art.: CYLINDER EXHAUST GASKET, UPPER Деталей в узле: 1 54 | Art.: F369887 винт заслонки Деталей в узле: 1 снято с производства 55 | Art.: F369610 Подшипник Деталей в узле: 1 снято с производства 56 | Art.: F1885 HEX BOLT, 5/16 - 18 X 4-1/4 Деталей в узле: 1 снято с производства 57 | Art.: CAM, STARTER INTERLOCK Деталей в узле: 1 цена по запросу 58 | Art.: F2089 SLOTTED PAN HD. MACHINE SCREW, 10 - 24 X 5/16 Деталей в узле: 2 снято с производства 59 | Art.: F2108 STOP NUT, 5/16 - 18 Деталей в узле: 1 снято с производства 60 | Art.: Подшипник Деталей в узле: 2 цена по запросу 61 | Art.: STOP NUT, 1/4 - 20 Деталей в узле: 1 цена по запросу
62 | Art.: FA480876 GEAR SHIFT ARM Деталей в узле: 1 цена по запросу
63 | Art.: INTERLOCK ARM Деталей в узле: 1 64 | Art.: HEX BOLT, 3/8 - 16 X 1-1/4 Деталей в узле: 6 цена по запросу 65 | Art.: SPRING LOCKWASHER Деталей в узле: 6 цена по запросу 66 | Art.: F40689-1 BEARING, TOWERSHAFT Деталей в узле: 1 снято с производства 67 | Art.: 817788A3 SPACER PLATE Деталей в узле: 1 снято с производства 68 | Art.: F2090 пробка Деталей в узле: 1 снято с производства 69 | Art.: Набор прокладок Деталей в узле: 1 цена по запросу 70 | Art.: SPARK PLUG (CHAMPION UL-18-V) Деталей в узле: 3 цена по запросу 71 | Art.: PLAIN WASHER Деталей в узле: 14 цена по запросу 72 | Art.: F1883 HEX BOLT, 5/16 - 18 X 2-3/8 Деталей в узле: 14 73 | Art.: F692995 крышка головки блока Деталей в узле: 1 снято с производства 74 | Art.: THERMOSWITCH Деталей в узле: 1 цена по запросу 77 | Art.: FILL HD. SCREW, 1/4 - 20 X 5/8 Деталей в узле: 4 цена по запросу 78 | Art.: Крышка термостата Деталей в узле: 1 цена по запросу
79 | Art.: F664914 уплотнение термостата Деталей в узле: 1 80 | Art.: THERMOSTAT (130eF) Деталей в узле: 1 81 | Art.: прокладка крышки термостата Деталей в узле: 1 82 | Art.: HEAD, CYLINDER Деталей в узле: 1 цена по запросу 83 | Art.: пробка Деталей в узле: 1 цена по запросу 84 | Art.: прокладка головки блока Деталей в узле: 1 цена по запросу 85 | Art.: STUD, REAR Деталей в узле: 6 снято с производства 86 | Art.: F529398-1 DECAL, WIRING Деталей в узле: 1 снято с производства 87 | Art.: HEX HD. SCREW, 1/4 - 20 X 1-1/8 Деталей в узле: 21 цена по запросу 88 | Art.: F901938-1 HEX HD. SCREW, 1/4 - 20 X 7/8 Деталей в узле: 2 снято с производства 89 | Art.: COVER, EXHAUST PORT Деталей в узле: 1 снято с производства 90 | GASKET, EXHAUST PORT PLATE Деталей в узле: 2 91 | Art.: PLATE, EXHAUST PORT Деталей в узле: 1 |
