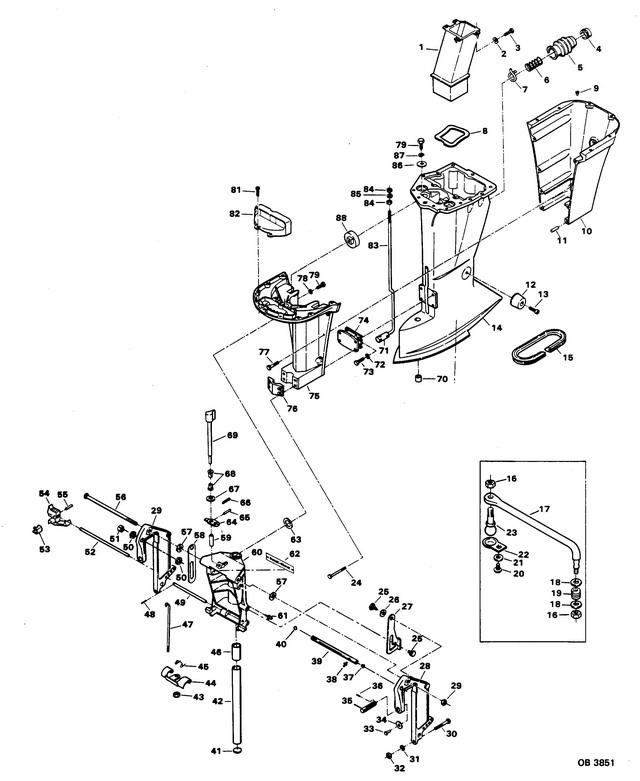
85 H.P.
MOTOR LEG
MOTOR LEG
| № | Артикул | Наименование | Деталей в узле | Комментарий | Цена | |
| 1 | выпускная труба | 4 | снято с производства | |||
| 2 | SPRING LOCKWASHER | 4 | цена по запросу | |||
| 3 | HEX SLOT HD SCREW, 1/4 - 20 X 3/4 | 4 | цена по запросу | |||
| 4 | Палец-вкладыш | 1 | снято с производства | |||
| 5 | BOOT, IDLE EXHAUST | 1 | 3070 руб. | |||
| 6 | Пружина | 1 | 410 руб. | |||
| 7 | зажим | 1 | цена по запросу | |||
| 8 | SEAL EXHAUST TUBE | 1 | снято с производства | |||
| 9 | пробка | 2 | снято с производства | |||
| 10 | MOTOR LEG COVER, REAR | 1 | снято с производства | |||
| 11 | SPRING PIN | 2 | цена по запросу | |||
| 12 | SHOCK MOUNT SLIDE | 2 | снято с производства | |||
| 13 | HEX SOCKET HD CAP SCREW, 5/16 - 18 X 9/16 | 2 | цена по запросу | |||
| 14 | MOTOR LEG | 1 | цена по запросу | |||
| 15 | SEAL, MOTOR LEG | 1 | снято с производства | |||
| 16 | STOP NUT, 3/8 - 24 | 2 | цена по запросу | |||
| 17 | STEERING LINK | 1 | цена по запросу | |||
| 18 | PLAIN WASHER | 2 | цена по запросу | |||
| 19 | Пружина | 1 | цена по запросу | |||
| 20 | PAN HD SCREW, 8 - 32-1/4 | 1 | цена по запросу | |||
| 21 | SPRING LOCKWASHER | 1 | цена по запросу | |||
| 22 | фиксатор | 1 | снято с производства | |||
| 23 | STEERING BALL STUD | 1 | снято с производства | |||
| 24 | HEX BOLT, 5/16 - 18 X 1-3/4 | 4 | цена по запросу | |||
| 25 | TILT STOP PIVOT (856H2K, 856B2K) | 4 | снято с производства | |||
| 26 | BOWED SPRING WASHER (856H2K, 856B2K) | 2 | цена по запросу | |||
| 27 | TILT LOCK (856H2K, 856B2K) | 1 | цена по запросу | |||
| 28 | STERN BRACKET | 2 | снято с производства | |||
| 29 | LOCK NUT, 1/2 - 20 | 1 | цена по запросу | |||
| 30 | HEX HD SCREW, 3/8 - 16 X 3 | 2 | снято с производства | |||
| 31 | PLAIN WASHER | 2 | снято с производства | |||
| 32 | HEX NUT, 3/8 - 16 | 2 | цена по запросу | |||
| 33 | шпилька | 2 | снято с производства | |||
| 34 | CLAMP SCREW FOOT | 2 | снято с производства | |||
| 35 | Винт зажима | 2 | снято с производства | |||
| 36 | SPRING PIN | 2 | 50 руб. | |||
| 37 | пробка | 1 | снято с производства | |||
| 38 | пресс-масленка | 1 | снято с производства | |||
| 39 | TUBE, STEERING SUPPORT | 1 | снято с производства | |||
| 40 | SEAL, STEERING SUPPORT TUBE | 1 | цена по запросу | |||
| 41 | WELCH PLUG | 1 | снято с производства | |||
| 42 | KINGPIN | 1 | W/ILLUS. 41 | цена по запросу | ||
| 43 | LOCK NUT (856H2K, 856B2K) | 1 | цена по запросу | |||
| 44 | REVERSE LOCK (856H2K, 856B2K) | 1 | снято с производства | |||
| 45 | REVERSE LOCK SPRING (856H2K, 856B2K) | 1 | снято с производства | |||
| 46 | Подшипник | 2 | снято с производства | |||
| 47 | LINK (856H2K, 856B2K) | 1 | снято с производства | |||
| 48 | SPRING PIN (856H2K, 856B2K) | 1 | цена по запросу | |||
| 49 | REVERSE LOCK PIN (856H2K, 856B2K) | 1 | снято с производства | |||
| 50 | NUT, STEERING SUPPORT TUBE | 2 | снято с производства | |||
| 51 | Крышка | 1 | снято с производства | |||
| 52 | STERN BRACKET LOCK BAR W/HANDLE (856H2K, 856B2K) | 1 | W/ILLUS. 43, 44 AND 45 | снято с производства | ||
| 53 | SPRING LOCK BAR HANDLE (856H2K, 856B2K) | 1 | цена по запросу | |||
| 54 | HANDLE, LOCK BAR (856H2K, 856B2K) | 1 | цена по запросу | |||
| 55 | SPRING PIN (856H2K, 856B2K) | 1 | цена по запросу | |||
| 56 | STERN BRACKET PIVOT BOLT | 1 | снято с производства | |||
| 57 | FRICTION WASHER | 4 | снято с производства | |||
| 58 | TILT STOP (856H2K, 856B2K) | 1 | снято с производства | |||
| 59 | BEARING (856H2K, 856B2K) | 1 | снято с производства | |||
| 60 | поворотный кронштейн | 1 | W/ILLUS. 46 AND 61 ORIGINAL FORCE P/N A 369072-2 | снято с производства | ||
| 61 | пресс-масленка | 3 | снято с производства | |||
| 62 | DECAL, REVERSE LOCK (856H2K, 856B2K) | 1 | снято с производства | |||
| 63 | шайба | 1 | снято с производства | |||
| 64 | REVERSE LOCK ARM (856H2K, 856B2K) | 1 | цена по запросу | |||
| 65 | SPRING PIN (856H2K, 856B2K) | 1 | цена по запросу | |||
| 66 | COTTER PIN (856H2K, 856B2K) | 1 | цена по запросу | |||
| 67 | PLAIN WASHER (856H2K, 856B2K) | 1 | цена по запросу | |||
| 68 | BEARING (856H2K, 856B2K) | 2 | цена по запросу | |||
| 69 | HANDLE AND SHAFT (856H2K, 856B2K) | 1 | цена по запросу | |||
| 70 | COUPLER, GEARSHIFT ROD | 1 | 880 руб. | |||
| 71 | COUPLER, GEARSHIFT ROD UPPER | 1 | цена по запросу | |||
| 72 | SPRING LOCKWASHER | 4 | цена по запросу | |||
| 73 | HEX BOLT, 5/16 - 18 X 7/8 | 4 | цена по запросу | |||
| 74 | SHOCK MOUNT, LOWER | 1 | снято с производства | |||
| 75 | LEG COVER, FRONT | 1 | W/ILLUS. 77 | снято с производства | ||
| 76 | KINGPIN CAP | 1 | снято с производства | |||
| 77 | HEX HD SCREW, 1/4 - 20 X 1-1/4 | 6 | 310 руб. | |||
| 78 | SPRING LOCKWASHER | 2 | цена по запросу | |||
| 79 | HEX HD SCREW, 3/8 - 16 X 3/4 | 4 | цена по запросу | |||
| 81 | HEX HD SCREW, 10 - 24 X 1/2 | 4 | снято с производства | |||
| 82 | BAFFLE, AIR INTAKE | 1 | снято с производства | |||
| 83 | GEAR SHIFT ROD, UPPER | 1 | цена по запросу | |||
| 84 | LOCK NUT, 5/16 - 18 | 2 | снято с производства | |||
| 85 | PLAIN WASHER | 1 | цена по запросу | |||
| 86 | WASHER SHOCK MOUNT UPPER | 2 | W/ILLUS. 87 | снято с производства | ||
| 87 | PLAIN WASHER | 2 | цена по запросу | |||
| 88 | SHOCK MOUNT, UPPER | 2 | снято с производства | |||
| - | INSTALLATION INSTRUCTIONS (FOR 5H094 STEERING LINK KIT) | 1 | ||||
| 1 | Art.: F85660-1 выпускная труба Деталей в узле: 4 снято с производства 2 | Art.: SPRING LOCKWASHER Деталей в узле: 4 цена по запросу 3 | Art.: HEX SLOT HD SCREW, 1/4 - 20 X 3/4 Деталей в узле: 4 цена по запросу 4 | Art.: Палец-вкладыш Деталей в узле: 1 снято с производства 5 | BOOT, IDLE EXHAUST Деталей в узле: 1 6 | Art.: F85380 Пружина Деталей в узле: 1 7 | Art.: F85772 зажим Деталей в узле: 1 цена по запросу
8 | Art.: F439736 SEAL EXHAUST TUBE Деталей в узле: 1 снято с производства 9 | Art.: F1729 пробка Деталей в узле: 2 снято с производства 10 | MOTOR LEG COVER, REAR Деталей в узле: 1 снято с производства 11 | Art.: F1664 SPRING PIN Деталей в узле: 2 цена по запросу
12 | Art.: F438962 SHOCK MOUNT SLIDE Деталей в узле: 2 снято с производства 13 | Art.: F1263 HEX SOCKET HD CAP SCREW, 5/16 - 18 X 9/16 Деталей в узле: 2 цена по запросу
14 | MOTOR LEG Деталей в узле: 1 цена по запросу 15 | Art.: F178323 SEAL, MOTOR LEG Деталей в узле: 1 снято с производства 16 | Art.: STOP NUT, 3/8 - 24 Деталей в узле: 2 цена по запросу 17 | Art.: STEERING LINK Деталей в узле: 1 цена по запросу
18 | Art.: PLAIN WASHER Деталей в узле: 2 цена по запросу 19 | Art.: F523300-1 Пружина Деталей в узле: 1 цена по запросу
20 | Art.: F1280 PAN HD SCREW, 8 - 32-1/4 Деталей в узле: 1 цена по запросу
21 | Art.: SPRING LOCKWASHER Деталей в узле: 1 цена по запросу 22 | Art.: F523930 фиксатор Деталей в узле: 1 снято с производства 23 | Art.: F523273 STEERING BALL STUD Деталей в узле: 1 снято с производства 24 | Art.: HEX BOLT, 5/16 - 18 X 1-3/4 Деталей в узле: 4 цена по запросу 25 | Art.: F85350-1 TILT STOP PIVOT (856H2K, 856B2K) Деталей в узле: 4 снято с производства 26 | Art.: BOWED SPRING WASHER (856H2K, 856B2K) Деталей в узле: 2 цена по запросу 27 | Art.: TILT LOCK (856H2K, 856B2K) Деталей в узле: 1 цена по запросу 28 | Art.: 1400-817958A6 STERN BRACKET Деталей в узле: 2 снято с производства 29 | Art.: LOCK NUT, 1/2 - 20 Деталей в узле: 1 цена по запросу 30 | Art.: HEX HD SCREW, 3/8 - 16 X 3 Деталей в узле: 2 снято с производства 31 | Art.: F1904 PLAIN WASHER Деталей в узле: 2 снято с производства 32 | Art.: HEX NUT, 3/8 - 16 Деталей в узле: 2 цена по запросу 33 | Art.: F353480 шпилька Деталей в узле: 2 снято с производства 34 | Art.: F84074 CLAMP SCREW FOOT Деталей в узле: 2 снято с производства 35 | Art.: Винт зажима Деталей в узле: 2 снято с производства 36 | Art.: F8538 SPRING PIN Деталей в узле: 2 37 | Art.: F9052 пробка Деталей в узле: 1 снято с производства 38 | Art.: F523274 пресс-масленка Деталей в узле: 1 снято с производства 39 | Art.: TUBE, STEERING SUPPORT Деталей в узле: 1 снято с производства 40 | Art.: SEAL, STEERING SUPPORT TUBE Деталей в узле: 1 цена по запросу 41 | Art.: F1528 WELCH PLUG Деталей в узле: 1 снято с производства 42 | Art.: KINGPIN (W/ILLUS. 41)Деталей в узле: 1 цена по запросу
43 | Art.: F1669 LOCK NUT (856H2K, 856B2K) Деталей в узле: 1 цена по запросу
44 | Art.: F369349 REVERSE LOCK (856H2K, 856B2K) Деталей в узле: 1 снято с производства 45 | Art.: F85300 REVERSE LOCK SPRING (856H2K, 856B2K) Деталей в узле: 1 снято с производства 46 | Art.: Подшипник Деталей в узле: 2 снято с производства 47 | Art.: F369510 LINK (856H2K, 856B2K) Деталей в узле: 1 снято с производства 48 | Art.: SPRING PIN (856H2K, 856B2K) Деталей в узле: 1 цена по запросу 49 | Art.: F177350 REVERSE LOCK PIN (856H2K, 856B2K) Деталей в узле: 1 снято с производства 50 | Art.: F523280 NUT, STEERING SUPPORT TUBE Деталей в узле: 2 снято с производства 51 | Art.: F9018 Крышка Деталей в узле: 1 снято с производства 52 | Art.: FA438113 STERN BRACKET LOCK BAR W/HANDLE (856H2K, 856B2K) (W/ILLUS. 43, 44 AND 45)Деталей в узле: 1 снято с производства 53 | Art.: F286461 SPRING LOCK BAR HANDLE (856H2K, 856B2K) Деталей в узле: 1 цена по запросу
54 | Art.: HANDLE, LOCK BAR (856H2K, 856B2K) Деталей в узле: 1 цена по запросу
55 | Art.: SPRING PIN (856H2K, 856B2K) Деталей в узле: 1 цена по запросу 56 | Art.: F85037-1 STERN BRACKET PIVOT BOLT Деталей в узле: 1 снято с производства 57 | Art.: F84286-1 FRICTION WASHER Деталей в узле: 4 снято с производства 58 | Art.: TILT STOP (856H2K, 856B2K) Деталей в узле: 1 снято с производства 59 | Art.: F483884 BEARING (856H2K, 856B2K) Деталей в узле: 1 снято с производства 60 | Art.: 817783A5 поворотный кронштейн (W/ILLUS. 46 AND 61 ORIGINAL FORCE P/N A 369072-2)Деталей в узле: 1 снято с производства 61 | Art.: F213274 пресс-масленка Деталей в узле: 3 снято с производства 62 | Art.: DECAL, REVERSE LOCK (856H2K, 856B2K) Деталей в узле: 1 снято с производства 63 | Art.: F84011 шайба Деталей в узле: 1 снято с производства 64 | Art.: F369364 REVERSE LOCK ARM (856H2K, 856B2K) Деталей в узле: 1 цена по запросу
65 | Art.: F1836 SPRING PIN (856H2K, 856B2K) Деталей в узле: 1 цена по запросу
66 | Art.: COTTER PIN (856H2K, 856B2K) Деталей в узле: 1 цена по запросу 67 | Art.: PLAIN WASHER (856H2K, 856B2K) Деталей в узле: 1 цена по запросу
68 | Art.: BEARING (856H2K, 856B2K) Деталей в узле: 2 цена по запросу 69 | Art.: HANDLE AND SHAFT (856H2K, 856B2K) Деталей в узле: 1 цена по запросу
70 | Art.: COUPLER, GEARSHIFT ROD Деталей в узле: 1 71 | Art.: F85704 COUPLER, GEARSHIFT ROD UPPER Деталей в узле: 1 цена по запросу
72 | Art.: SPRING LOCKWASHER Деталей в узле: 4 цена по запросу 73 | Art.: HEX BOLT, 5/16 - 18 X 7/8 Деталей в узле: 4 цена по запросу 74 | Art.: SHOCK MOUNT, LOWER Деталей в узле: 1 снято с производства 75 | LEG COVER, FRONT (W/ILLUS. 77)Деталей в узле: 1 снято с производства 76 | Art.: KINGPIN CAP Деталей в узле: 1 снято с производства 77 | Art.: F2030 HEX HD SCREW, 1/4 - 20 X 1-1/4 Деталей в узле: 6 78 | Art.: SPRING LOCKWASHER Деталей в узле: 2 цена по запросу 79 | Art.: HEX HD SCREW, 3/8 - 16 X 3/4 Деталей в узле: 4 цена по запросу 81 | Art.: F1912 HEX HD SCREW, 10 - 24 X 1/2 Деталей в узле: 4 снято с производства 82 | Art.: BAFFLE, AIR INTAKE Деталей в узле: 1 |
