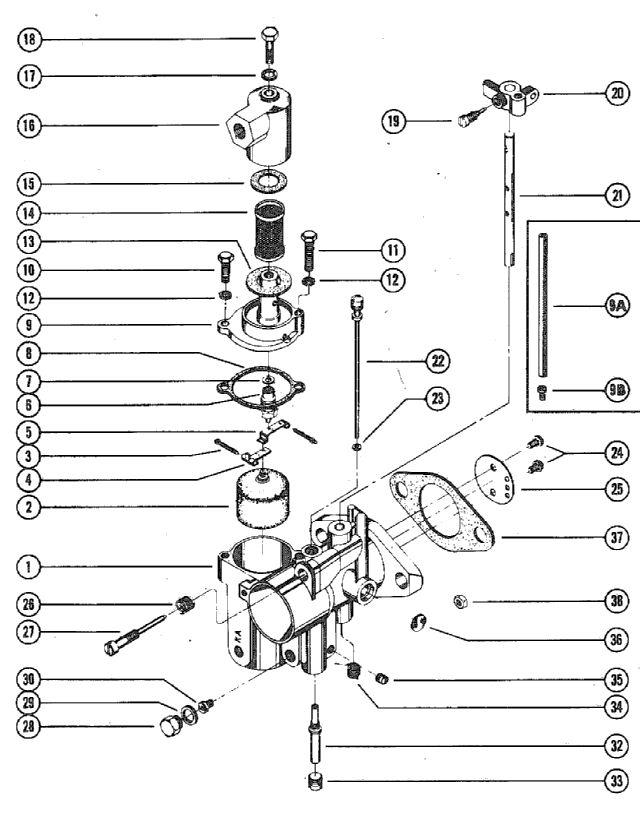
MERC 500
карбюротор в сборе
карбюротор в сборе
| № | Артикул | Наименование | Деталей в узле | Комментарий | Цена | |
| 1 | карбюротор в сборе | 2 | UNITED STATES 4141000 THRU 4280269 AUSTRALIA 8029515 THRU 8030089 BELGIUM 9082514 THRU 9100588 CANADA 7051983 THRU 7060607 | снято с производства | ||
| 1 | карбюротор в сборе | 2 | UNITED STATES 4280270 AND UP AUSTRALIA NONE BUILT BELGIUM 9100589 AND UP CANADA 7060608 AND UP | снято с производства | ||
| 2 | поплавок в сборе | 2 | цена по запросу | |||
| 3 | PIN, FLOAT LEVER PINION | 4 | ||||
| 4 | рычаг поплавка нижний | 2 | ||||
| 5 | рычаг поплавка верхний | 2 | ||||
| 6 | впускная игла, седло и прокладка | 2 | цена по запросу | |||
| 7 | Прокладка впускного седла | 2 | ||||
| 8 | прокладка крышки поплавковой камеры | 2 | ||||
| 9 | крышка поплавковой камеры | 2 | UNITED STATES 4141000 THRU 4280269 AUSTRALIA 8029515 THRU 8030089 BELGIUM 9082514 THRU 9100588 CANADA 7051983 THRU 7060607 | 26210 руб. | ||
| 9 | крышка поплавковой камеры | 2 | UNITED STATES 4280270 AND UP AUSTRALIA NONE BUILT BELGIUM 9100589 AND UP CANADA 7060608 AND UP | снято с производства | ||
| 9A | HOSE, ECONOMIZER | 2 | UNITED STATES 4280270 AND UP AUSTRALIA NONE BUILT BELGIUM 9100589 AND UP CANADA 7060608 AND UP | |||
| 9B | JET, ECONOMIZER (.086) | 2 | UNITED STATES 4280270 AND UP AUSTRALIA NONE BUILT BELGIUM 9100589 AND UP CANADA 7060608 AND UP | цена по запросу | ||
| 10 | винт крышки поплавковой камеры короткий | 2 | снято с производства | |||
| 11 | винт поплавковой камеры длинный | 2 | снято с производства | |||
| 12 | стопорная шайба винта крышки поплавковой камеры | 4 | 120 руб. | |||
| 13 | прокладка крышки фильтра большая | 2 | 120 руб. | |||
| 14 | Экран фильтра | 2 | снято с производства | |||
| 15 | прокладка крышки фильтра маленькая | 2 | 100 руб. | |||
| 16 | крышка фильтра | 2 | снято с производства | |||
| 17 | прокладка винта крышки фильтра | 2 | ||||
| 18 | SCREW, STRAINER COVER FASTENING | 2 | ||||
| 19 | винт фиксатора рычага дросселя | 2 | цена по запросу | |||
| 20 | LEVER, THROTTLE STOP(SEE NOTE BELOW) | 2 | снято с производства | |||
| 21 | Вал дросселя | 2 | снято с производства | |||
| 22 | TUBE, IDLE | 2 | ||||
| 23 | GASKET, IDLE TUBE | 2 | ||||
| 24 | винт и стопорная шайба заслонки дросселя | 4 | ||||
| 25 | дроссельная заслонка | 2 | UNITED STATES 4141000 THRU 4280269 AUSTRALIA 8029515 THRU 8030089 BELGIUM 9082514 THRU 9100588 CANADA 7051983 THRU 7060607 | снято с производства | ||
| 25 | SHUTTER, THRORRLE | 2 | UNITED STATES 4280270 AND UP AUSTRALIA NONE BUILT BELGIUM 9100589 AND UP CANADA 7060608 AND UP | снято с производства | ||
| 26 | пружина винта регулировки холостого хода | 2 | ||||
| 27 | винт регулировки холостого хода | 2 | ||||
| 28 | винт пробки канала главного топливного жиклера | 2 | снято с производства | |||
| 29 | прокладка винта пробки канала жиклера | 2 | ||||
| 30 | JET, MAIN FUEL (.059) | OPT. | снято с производства | |||
| 30 | главный топливный жиклер (.061) | OPT. | снято с производства | |||
| 30 | JET, MAIN FUEL (.063) - STANDARD | 2 | UNITED STATES 4141000 THRU 4280269 AUSTRALIA 8029515 THRU 8030089 BELGIUM 9082514 THRU 9100588 CANADA 7051983 THRU 7060607 | снято с производства | ||
| 30 | JET, MAIN FUEL (.065) - STANDARD | OPT. | UNITED STATES 4280270 AND UP AUSTRALIA NONE BUILT BELGIUM 9100589 AND UP CANADA 7060608 AND UP | снято с производства | ||
| 32 | главный распылитель | 2 | ||||
| 33 | винт пробки главного распылителя | 2 | снято с производства | |||
| 34 | Пружина возврата дроссельного вала | 1 | ||||
| 35 | винт пробки канала корпуса | 2 | снято с производства | |||
| 36 | WELCH PLUG, BODY CHANNEL | 2 | ||||
| 37 | GASLET. CARBURETOR FLANGE | 2 | 240 руб. | |||
| 38 | Гайка шпильки крепления карбюратора | 4 | цена по запросу | |||
| - | GASKET AND PAKCING SET (1 PER CARBURETOR) | 2 | цена по запросу | |||
| - | ремонтный комплект (на 1 карбюратор) | 2 | UNITED STATES 4141000 THRU 4280269 AUSTRALIA 8029515 THRU 8030089 BELGIUM 9082514 THRU 9100588 CANADA 7051983 THRU 7060607 | цена по запросу | ||
| - | REPAIR PARTS KIT (1 PER CARBURETOR | 2 | UNITED STATES 4280270 AND UP AUSTRALIA NONE BUILT BELGIUM 9100589 AND UP CANADA 7060608 AND UP | снято с производства | ||
| 1 | Art.: 1333-5818 карбюротор в сборе (UNITED STATES 4141000 THRU 4280269 AUSTRALIA 8029515 THRU 8030089 BELGIUM 9082514 THRU 9100588 CANADA 7051983 THRU 7060607)Деталей в узле: 2 снято с производства 1 | Art.: 1333-5921 карбюротор в сборе (UNITED STATES 4280270 AND UP AUSTRALIA NONE BUILT BELGIUM 9100589 AND UP CANADA 7060608 AND UP)Деталей в узле: 2 снято с производства 2 | Art.: поплавок в сборе Деталей в узле: 2 цена по запросу 3 | Art.: - PIN, FLOAT LEVER PINION Деталей в узле: 4 4 | Art.: - рычаг поплавка нижний Деталей в узле: 2 5 | Art.: - рычаг поплавка верхний Деталей в узле: 2 6 | Art.: впускная игла, седло и прокладка Деталей в узле: 2 цена по запросу 7 | Art.: - Прокладка впускного седла Деталей в узле: 2 8 | Art.: - прокладка крышки поплавковой камеры Деталей в узле: 2 9 | Art.: 1399-1133 крышка поплавковой камеры (UNITED STATES 4141000 THRU 4280269 AUSTRALIA 8029515 THRU 8030089 BELGIUM 9082514 THRU 9100588 CANADA 7051983 THRU 7060607)Деталей в узле: 2 9 | Art.: 1399-6223 крышка поплавковой камеры (UNITED STATES 4280270 AND UP AUSTRALIA NONE BUILT BELGIUM 9100589 AND UP CANADA 7060608 AND UP)Деталей в узле: 2 снято с производства 9A | Art.: - HOSE, ECONOMIZER (UNITED STATES 4280270 AND UP AUSTRALIA NONE BUILT BELGIUM 9100589 AND UP CANADA 7060608 AND UP)Деталей в узле: 2 9B | Art.: JET, ECONOMIZER (.086) (UNITED STATES 4280270 AND UP AUSTRALIA NONE BUILT BELGIUM 9100589 AND UP CANADA 7060608 AND UP)Деталей в узле: 2 цена по запросу 10 | Art.: 10-52195 винт крышки поплавковой камеры короткий Деталей в узле: 2 снято с производства 11 | Art.: 10-52196 винт поплавковой камеры длинный Деталей в узле: 2 снято с производства 12 | Art.: 13-26995 стопорная шайба винта крышки поплавковой камеры Деталей в узле: 4 13 | Art.: 27-25851 прокладка крышки фильтра большая Деталей в узле: 2 14 | Art.: 1399-3938 Экран фильтра Деталей в узле: 2 снято с производства 15 | Art.: 27-25849 прокладка крышки фильтра маленькая Деталей в узле: 2 16 | Art.: 1399-1135 крышка фильтра Деталей в узле: 2 снято с производства 17 | Art.: - прокладка винта крышки фильтра Деталей в узле: 2 18 | Art.: - SCREW, STRAINER COVER FASTENING Деталей в узле: 2 19 | Art.: винт фиксатора рычага дросселя Деталей в узле: 2 цена по запросу 20 | Art.: 1399-94 LEVER, THROTTLE STOP(SEE NOTE BELOW) Деталей в узле: 2 снято с производства 21 | Art.: 1399-2012 Вал дросселя Деталей в узле: 2 снято с производства 22 | Art.: - TUBE, IDLE Деталей в узле: 2 23 | Art.: - GASKET, IDLE TUBE Деталей в узле: 2 24 | Art.: - винт и стопорная шайба заслонки дросселя Деталей в узле: 4 25 | Art.: 1399-3392 дроссельная заслонка (UNITED STATES 4141000 THRU 4280269 AUSTRALIA 8029515 THRU 8030089 BELGIUM 9082514 THRU 9100588 CANADA 7051983 THRU 7060607)Деталей в узле: 2 снято с производства 25 | Art.: 1399-5812 SHUTTER, THRORRLE (UNITED STATES 4280270 AND UP AUSTRALIA NONE BUILT BELGIUM 9100589 AND UP CANADA 7060608 AND UP)Деталей в узле: 2 снято с производства 26 | Art.: - пружина винта регулировки холостого хода Деталей в узле: 2 27 | Art.: - винт регулировки холостого хода Деталей в узле: 2 28 | Art.: 10-28405 винт пробки канала главного топливного жиклера Деталей в узле: 2 снято с производства 29 | Art.: - прокладка винта пробки канала жиклера Деталей в узле: 2 30 | Art.: 1399-1459 JET, MAIN FUEL (.059) Деталей в узле: OPT. снято с производства 30 | Art.: 1399-1461 главный топливный жиклер (.061) Деталей в узле: OPT. снято с производства 30 | Art.: 1399-1465 JET, MAIN FUEL (.063) - STANDARD (UNITED STATES 4141000 THRU 4280269 AUSTRALIA 8029515 THRU 8030089 BELGIUM 9082514 THRU 9100588 CANADA 7051983 THRU 7060607)Деталей в узле: 2 снято с производства 30 | Art.: 1399-1465 JET, MAIN FUEL (.065) - STANDARD (UNITED STATES 4280270 AND UP AUSTRALIA NONE BUILT BELGIUM 9100589 AND UP CANADA 7060608 AND UP)Деталей в узле: OPT. снято с производства 32 | Art.: - главный распылитель Деталей в узле: 2 33 | Art.: 10-23178 винт пробки главного распылителя Деталей в узле: 2 снято с производства 34 | Art.: - Пружина возврата дроссельного вала Деталей в узле: 1 35 | Art.: 28845 винт пробки канала корпуса Деталей в узле: 2 снято с производства 36 | Art.: - WELCH PLUG, BODY CHANNEL Деталей в узле: 2 37 | Art.: 27-31402 GASLET. CARBURETOR FLANGE Деталей в узле: 2 38 | Art.: Гайка шпильки крепления карбюратора Деталей в узле: 4 цена по запросу - | Art.: GASKET AND PAKCING SET (1 PER CARBURETOR) Деталей в узле: 2 цена по запросу - | Art.: ремонтный комплект (на 1 карбюратор) (UNITED STATES 4141000 THRU 4280269 AUSTRALIA 8029515 THRU 8030089 BELGIUM 9082514 THRU 9100588 CANADA 7051983 THRU 7060607)Деталей в узле: 2 цена по запросу - | Art.: 1399-5930 REPAIR PARTS KIT (1 PER CARBURETOR (UNITED STATES 4280270 AND UP AUSTRALIA NONE BUILT BELGIUM 9100589 AND UP CANADA 7060608 AND UP)Деталей в узле: 2 снято с производства | |||||||||||||||||||||||||||||||||||||||||||||||||
