MERC 500
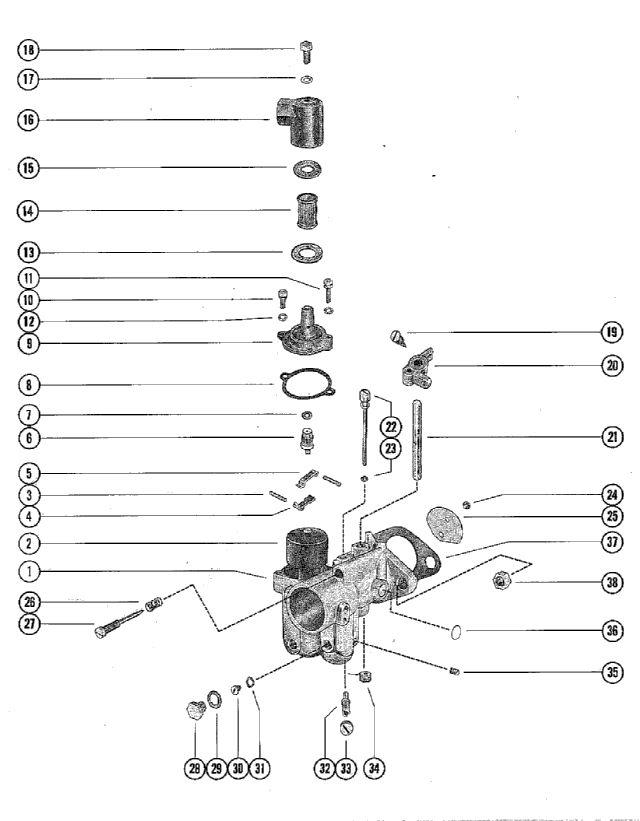
карбюротор в сборе
карбюротор в сборе
| № | Артикул | Наименование | Деталей в узле | Комментарий | Цена | |
| 1 | карбюротор в сборе | 2 | UNITED STATES 2858814 THRU 3816307 AUSTRALIA 2863739 THRU 8015989 BELGIUM 9001581 THRU 9047653 CANADA 2742142 THRU 7030747 | снято с производства | ||
| 1 | карбюротор в сборе | 2 | UNITED STATES 3816308 AND UP AUSTRALIA 8015900 AND UP BELGIUM 9047654 AND UP CANADA 7030748 AND UP | цена по запросу | ||
| 2 | поплавок в сборе | 2 | цена по запросу | |||
| 3 | PIN, FLOAT LEVER PINION | 4 | ||||
| 4 | рычаг поплавка нижний | 2 | ||||
| 5 | рычаг поплавка верхний | 2 | ||||
| 6 | впускная игла, седло и прокладка | 2 | цена по запросу | |||
| 7 | Прокладка впускного седла | 2 | ||||
| 8 | прокладка крышки поплавковой камеры | 2 | ||||
| 9 | крышка поплавковой камеры | 2 | 26210 руб. | |||
| 10 | винт крышки поплавковой камеры короткий | 2 | снято с производства | |||
| 11 | винт поплавковой камеры длинный | 2 | снято с производства | |||
| 12 | стопорная шайба винта крышки поплавковой камеры | 4 | цена по запросу | |||
| 13 | прокладка крышки фильтра большая | 2 | ||||
| 14 | SCREEN FILTER | 2 | цена по запросу | |||
| 15 | прокладка крышки фильтра маленькая | 2 | ||||
| 16 | крышка фильтра | 2 | снято с производства | |||
| 17 | прокладка винта крышки фильтра | 2 | ||||
| 18 | SCREW, STRAINER COVER FASTENING | 2 | снято с производства | |||
| 19 | винт фиксатора рычага дросселя | 2 | цена по запросу | |||
| 20 | LEVER, THROTTLE STOP (SEE NOTE BELOW) | 2 | снято с производства | |||
| 21 | Вал дросселя | 2 | снято с производства | |||
| 22 | TUBE, IDLE | 2 | ||||
| 23 | GASKET, IDLE TUBE | 2 | ||||
| 24 | винт и стопорная шайба заслонки дросселя | 4 | ||||
| 25 | дроссельная заслонка | 2 | снято с производства | |||
| 26 | пружина винта регулировки холостого хода | 2 | ||||
| 27 | винт регулировки холостого хода | 2 | снято с производства | |||
| 28 | винт пробки канала главного топливного жиклера | 2 | снято с производства | |||
| 29 | прокладка винта пробки канала жиклера | 2 | ||||
| 30 | JET, MAIN FUEL (.065) | OPT. | снято с производства | |||
| 30 | JET, MAIN FUEL (.063) - STANDARD | 2 | снято с производства | |||
| 30 | главный топливный жиклер (.061) | OPT. | снято с производства | |||
| 30 | JET, MAIN FUEL (.059) | OPT. | снято с производства | |||
| 31 | GASKET, MAIN FUEL JET (EARLY MODELS ONLY) | 2 | ||||
| 32 | главный распылитель | 2 | ||||
| 33 | винт пробки главного распылителя | 2 | снято с производства | |||
| 34 | возвратная пружина дроссельного вала (нижний карбюратор) | 1 | ||||
| 34 | возвратная пружина дроссельного вала (верхний карбюратор) | 1 | ||||
| 35 | винт пробки канала корпуса | 2 | снято с производства | |||
| 36 | WELCH PLUG, BODY CHANNEL | 2 | ||||
| 37 | прокладка фланца карбюратора | 2 | 240 руб. | |||
| 38 | Гайка шпильки крепления карбюратора | 4 | цена по запросу | |||
| - | ремонтный комплект (на 1 карбюратор) | 2 | UNITED STATES 2858814 THRU 3816307 AUSTRALIA 2863739 THRU 8015989 BELGIUM 9001581 THRU 9047653 CANADA 2742142 THRU 7030747 | цена по запросу | ||
| - | ремонтный комплект (на 1 карбюратор) | 2 | UNITED STATES 3816308 AND UP AUSTRALIA 8015900 AND UP BELGIUM 9047654 AND UP CANADA 7030748 AND UP | цена по запросу | ||
| - | GASKET AND PACKING SET (1 PER CARBURETOR) | 2 | 1520 руб. | |||
| 1 | Art.: 1333-3709 карбюротор в сборе (UNITED STATES 2858814 THRU 3816307 AUSTRALIA 2863739 THRU 8015989 BELGIUM 9001581 THRU 9047653 CANADA 2742142 THRU 7030747)Деталей в узле: 2 снято с производства 1 | Art.: карбюротор в сборе (UNITED STATES 3816308 AND UP AUSTRALIA 8015900 AND UP BELGIUM 9047654 AND UP CANADA 7030748 AND UP)Деталей в узле: 2 цена по запросу 2 | Art.: поплавок в сборе Деталей в узле: 2 цена по запросу 3 | Art.: - PIN, FLOAT LEVER PINION Деталей в узле: 4 4 | Art.: - рычаг поплавка нижний Деталей в узле: 2 5 | Art.: - рычаг поплавка верхний Деталей в узле: 2 6 | Art.: впускная игла, седло и прокладка Деталей в узле: 2 цена по запросу 7 | Art.: - Прокладка впускного седла Деталей в узле: 2 8 | Art.: - прокладка крышки поплавковой камеры Деталей в узле: 2 9 | Art.: 1399-1133 крышка поплавковой камеры Деталей в узле: 2 10 | Art.: 10-52195 винт крышки поплавковой камеры короткий Деталей в узле: 2 снято с производства 11 | Art.: 10-52196 винт поплавковой камеры длинный Деталей в узле: 2 снято с производства 12 | Art.: стопорная шайба винта крышки поплавковой камеры Деталей в узле: 4 цена по запросу 13 | Art.: - прокладка крышки фильтра большая Деталей в узле: 2 14 | Art.: SCREEN FILTER Деталей в узле: 2 цена по запросу 15 | Art.: - прокладка крышки фильтра маленькая Деталей в узле: 2 16 | Art.: 1399-1135 крышка фильтра Деталей в узле: 2 снято с производства 17 | Art.: - прокладка винта крышки фильтра Деталей в узле: 2 18 | Art.: 10-25822 SCREW, STRAINER COVER FASTENING Деталей в узле: 2 снято с производства 19 | Art.: винт фиксатора рычага дросселя Деталей в узле: 2 цена по запросу 20 | Art.: LEVER, THROTTLE STOP (SEE NOTE BELOW) Деталей в узле: 2 снято с производства 21 | Art.: 1399-2012 Вал дросселя Деталей в узле: 2 снято с производства 22 | Art.: - TUBE, IDLE Деталей в узле: 2 23 | Art.: - GASKET, IDLE TUBE Деталей в узле: 2 24 | Art.: - винт и стопорная шайба заслонки дросселя Деталей в узле: 4 25 | Art.: 1399-3392 дроссельная заслонка Деталей в узле: 2 снято с производства 26 | Art.: - пружина винта регулировки холостого хода Деталей в узле: 2 27 | Art.: 1399-1713 винт регулировки холостого хода Деталей в узле: 2 снято с производства 28 | Art.: 10-28405 винт пробки канала главного топливного жиклера Деталей в узле: 2 снято с производства 29 | Art.: - прокладка винта пробки канала жиклера Деталей в узле: 2 30 | Art.: 1399-1465 JET, MAIN FUEL (.065) Деталей в узле: OPT. снято с производства 30 | Art.: 1399-1463 JET, MAIN FUEL (.063) - STANDARD Деталей в узле: 2 снято с производства 30 | Art.: 1399-1461 главный топливный жиклер (.061) Деталей в узле: OPT. снято с производства 30 | Art.: 1399-1459 JET, MAIN FUEL (.059) Деталей в узле: OPT. снято с производства 31 | Art.: - GASKET, MAIN FUEL JET (EARLY MODELS ONLY) Деталей в узле: 2 32 | Art.: - главный распылитель Деталей в узле: 2 33 | Art.: 10-23178 винт пробки главного распылителя Деталей в узле: 2 снято с производства 34 | Art.: - возвратная пружина дроссельного вала (нижний карбюратор) Деталей в узле: 1 34 | Art.: - возвратная пружина дроссельного вала (верхний карбюратор) Деталей в узле: 1 35 | Art.: 10-28845 винт пробки канала корпуса Деталей в узле: 2 снято с производства 36 | Art.: - WELCH PLUG, BODY CHANNEL Деталей в узле: 2 37 | Art.: 27-31402 прокладка фланца карбюратора Деталей в узле: 2 |
