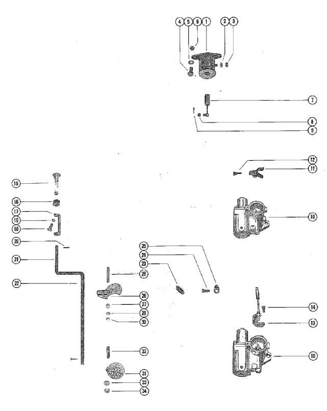
MERC 500-7/8
привод карбюратора и соленоид воздушной заслонки
привод карбюратора и соленоид воздушной заслонки
| № | Артикул | Наименование | Деталей в узле | Комментарий | Цена | |
| 1 | соленоид воздушной заслонки | ,1,,1 | снято с производства | |||
| 2 | LOCKWASHER, CHOKE SOLENOID TERMINAL | ,1,,1 | цена по запросу | |||
| 3 | NUT, CHOKE SOLENOID TERMINAL | ,1,,1 | цена по запросу | |||
| 4 | SCREW, CHOKE SOLENOID TO FRONT BRACKET | ,2,,2 | снято с производства | |||
| 5 | стопорная шайба винта соленода воздушной заслонки | ,2,,2 | цена по запросу | |||
| 6 | гайка винта соленоида воздушной заслонки | ,2,,2 | 270 руб. | |||
| 7 | PLUNGER AND LINK ASSEMBLY, CHOKE SOLENOID | ,1,, | снято с производства | |||
| 7 | PLUNGER AND LINK ASSEMBLY, CHOKE SOLENOID | ,,,1 | снято с производства | |||
| 8 | шайба плунжера и приводной штанги | ,1,,1 | цена по запросу | |||
| 9 | COTTER PIN, LINK TO UPPER CHOKE SHUTTE | ,1,,1 | 460 руб. | |||
| 10 | карбюротор в сборе | ,,2,2 | снято с производства | |||
| 10 | карбюротор в сборе | 2,2,, | снято с производства | |||
| 11 | CLUSTER, THROTTLE LEVER (UPPER CARBURETOR) | 1,1,1,1 | снято с производства | |||
| 12 | SCREW, CLUSTER TO THROTTLE LEVER | 1,1,1,1 | цена по запросу | |||
| 13 | PICK-UP BRACKET ASSEMBLY SERIAL #2623695 AND UP | ,,1,1 | 7660 руб. | |||
| 13 | PICKU-UP BRACKET ASSEMBLY SERIAL #2623694 AND BELOW | 1,1,1,1 | 7660 руб. | |||
| 14 | SCREW, PICK-UP BRACKET (1/2") | 1,1,1,1 | снято с производства | |||
| 14 | SCREW, PICK-UP BRACKET (3/4") | ,,1,1 | снято с производства | |||
| 15 | головка тяги воздушной заслонки | 1,1,1,1 | цена по запросу | |||
| 16 | резиновая втулка головки воздушной заслонки | 1,1,1,1 | 500 руб. | |||
| 17 | "U" LINK, CHOKE ROD TO CHOKE KNOB | ,1,,1 | снято с производства | |||
| 17 | "U" LINK, CHOKE ROD TO CHOKE KNOB | 1,,1, | снято с производства | |||
| 18 | SCREW, "U" LINK TO CHOKE KNOB | 1,1,1,1 | цена по запросу | |||
| 19 | LOCKWASHER, "U" LINK SCREW | 1,1,1,1 | 120 руб. | |||
| 20 | COTTER PIN, "U" LINK TO CHOKE ROD | 1,1,1,1 | 410 руб. | |||
| 21 | ROD, CHOKE (NOT AS SHOWN) | ,1,,1 | снято с производства | |||
| 21 | тяга воздушной заслонки | 1,,1, | снято с производства | |||
| 22 | заклепка крепления воздушной заслонки к тяге воздушной заслонки | 2,2,2,2 | снято с производства | |||
| 23 | SPRING, TENSION - CHOKE ROD TO CARBURETOR | 1,1,1,1 | снято с производства | |||
| 24 | SCREW, TENSION SPRING TO CARBURETOR | 1,1,1,1 | снято с производства | |||
| 25 | Фиксатор пружины | 1,1,1,1 | снято с производства | |||
| 26 | воздушная заслонка карбюратора | 2,2,2,2 | снято с производства | |||
| 27 | нейлоновый вкладыш верхней воздушной заслонки | ,1,,1 | снято с производства | |||
| 28 | STUD, CARBURETOR - CHOKE SHUTTER PIVOT (1 1/4") | 2,2,, | цена по запросу | |||
| 28 | STUD, CARBURETOR - CHOKE SHUTTER PIVOT (1 3/8") | ,,2,2 | цена по запросу | |||
| 29 | шайба шпильки воздушной заслонки карбюратора | 2,2,2,2 | 220 руб. | |||
| 30 | гайка шпильки воздушной заслонки карбюратора | 2,2,2,2 | 180 руб. | |||
| 31 | SCREEN, FILTER - CARBURETOR | ,,2,2 | цена по запросу | |||
| 32 | STUD, FILTER SCREEN TO CARBURETOR (1 1/8") | ,,2,2 | цена по запросу | |||
| 33 | WASHER, FILTER SCREEN STUD | ,,2,2 | 220 руб. | |||
| 34 | NUT, FILTER SCREEN STUD | ,,2,2 | 180 руб. | |||
| 1 | Art.: 45068 соленоид воздушной заслонки Деталей в узле: ,1,,1 снято с производства 2 | Art.: 13-26993 LOCKWASHER, CHOKE SOLENOID TERMINAL Деталей в узле: ,1,,1 цена по запросу
3 | Art.: NUT, CHOKE SOLENOID TERMINAL Деталей в узле: ,1,,1 цена по запросу 4 | Art.: 10-26066 SCREW, CHOKE SOLENOID TO FRONT BRACKET Деталей в узле: ,2,,2 снято с производства 5 | Art.: 13-26993 стопорная шайба винта соленода воздушной заслонки Деталей в узле: ,2,,2 цена по запросу
6 | Art.: 11-22053 гайка винта соленоида воздушной заслонки Деталей в узле: ,2,,2 7 | Art.: PLUNGER AND LINK ASSEMBLY, CHOKE SOLENOID Деталей в узле: ,1,, снято с производства 7 | Art.: 48315A4 PLUNGER AND LINK ASSEMBLY, CHOKE SOLENOID Деталей в узле: ,,,1 снято с производства 8 | Art.: шайба плунжера и приводной штанги Деталей в узле: ,1,,1 цена по запросу 9 | Art.: 18-26953 COTTER PIN, LINK TO UPPER CHOKE SHUTTE Деталей в узле: ,1,,1 10 | Art.: 1333-3709 карбюротор в сборе Деталей в узле: ,,2,2 снято с производства 10 | Art.: 1333-3298 карбюротор в сборе Деталей в узле: 2,2,, снято с производства 11 | Art.: 27917 CLUSTER, THROTTLE LEVER (UPPER CARBURETOR) Деталей в узле: 1,1,1,1 снято с производства 12 | Art.: SCREW, CLUSTER TO THROTTLE LEVER Деталей в узле: 1,1,1,1 цена по запросу 13 | Art.: 53719A2 PICK-UP BRACKET ASSEMBLY SERIAL #2623695 AND UP Деталей в узле: ,,1,1 13 | Art.: PICKU-UP BRACKET ASSEMBLY SERIAL #2623694 AND BELOW Деталей в узле: 1,1,1,1 14 | Art.: 10-29239 SCREW, PICK-UP BRACKET (1/2") Деталей в узле: 1,1,1,1 снято с производства 14 | Art.: 10-53651 SCREW, PICK-UP BRACKET (3/4") Деталей в узле: ,,1,1 снято с производства 15 | головка тяги воздушной заслонки Деталей в узле: 1,1,1,1 цена по запросу 16 | Art.: 25-20116 резиновая втулка головки воздушной заслонки Деталей в узле: 1,1,1,1 17 | Art.: 46303 "U" LINK, CHOKE ROD TO CHOKE KNOB Деталей в узле: ,1,,1 снято с производства 17 | Art.: 22462 "U" LINK, CHOKE ROD TO CHOKE KNOB Деталей в узле: 1,,1, снято с производства 18 | Art.: SCREW, "U" LINK TO CHOKE KNOB Деталей в узле: 1,1,1,1 цена по запросу 19 | Art.: 13-26996 LOCKWASHER, "U" LINK SCREW Деталей в узле: 1,1,1,1 20 | Art.: COTTER PIN, "U" LINK TO CHOKE ROD Деталей в узле: 1,1,1,1 21 | Art.: 46304 ROD, CHOKE (NOT AS SHOWN) Деталей в узле: ,1,,1 снято с производства 21 | Art.: 47958 тяга воздушной заслонки Деталей в узле: 1,,1, снято с производства 22 | Art.: 17-25391 заклепка крепления воздушной заслонки к тяге воздушной заслонки Деталей в узле: 2,2,2,2 снято с производства 23 | Art.: 24-28965 SPRING, TENSION - CHOKE ROD TO CARBURETOR Деталей в узле: 1,1,1,1 снято с производства 24 | Art.: 10-28713 SCREW, TENSION SPRING TO CARBURETOR Деталей в узле: 1,1,1,1 снято с производства 25 | Art.: 27711 Фиксатор пружины Деталей в узле: 1,1,1,1 снято с производства 26 | Art.: 38604 воздушная заслонка карбюратора Деталей в узле: 2,2,2,2 снято с производства 27 | Art.: 23-30438 нейлоновый вкладыш верхней воздушной заслонки Деталей в узле: ,1,,1 снято с производства 28 | Art.: 16-30172 STUD, CARBURETOR - CHOKE SHUTTER PIVOT (1 1/4") Деталей в узле: 2,2,, цена по запросу
28 | Art.: STUD, CARBURETOR - CHOKE SHUTTER PIVOT (1 3/8") Деталей в узле: ,,2,2 |
